74ls151是常用的8选1数据选择器(互补输出),常用在各种数字电路和单片机系统的显示系统中,下面我就介绍一下这个元件的一些参数与应用技术等资料。
74ls151引脚图

选择控制端(地址端)为C~A,按二进制译码,从8个输入数据D0~D7中,选择一个需要的数据送到输出端Y,G为使能端,低电平有效。
(1)使能端G=1时,不论C~A状态如何,均无输出(Y=0,W=1),多路开关被禁止。838电子
(2)使能端G=0时,多路开关正常工作,根据地址码C、B、A的状态选择D0~D7中某一个通道的数据输送到输出端Y。
如:CBA=000,则选择D0数据到输出端,即Y=D0。
如:CBA=001,则选择D1数据到输出端,即Y=D1,其余类推。
74ls151逻辑图

74ls151真值表

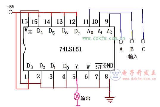
74ls151实现三人表决器

将输入变量接至数据选择器的地址输入端,即A=Ay,B=A,C=A。o输出变量接至数据选择器的输出端,即L=Y。将逻辑函数L的最小项表达式与74151的功能表相比较,

显然,Y式中出现的最小项,对应的数据输入端应接1,Y式中没出现的最小项,对应的数据输入端应接0。即D3=D5=D6=D7=1;D0=D1=D2=D4=0。

该逻辑函数含有三个逻辑变量,可选其中的两个(A,B)作为数据选择器的地址输入变量,一个(C)作为数据输入变量。
用数据选择器74LS151实现接线图





返回顶部
刷新页面
下到页底