很多MCU开发者对MCU晶体两边要各接一个对地电容的做法表示不理解,因为这个电容有时可以去掉。笔者参考了很多书籍,却发现书中讲解的很少,提到最多的往往是:对地电容具稳定作用或相当于负载电容等,都没有很深入地去进行理论分析。而另外一方面,很多爱好者都直接忽略了晶体旁边的这两个电容,他们认为按参考设计做就行了。但事实上,这是MCU的振荡电路,又称“三点式电容振荡电路”,如图1所示。
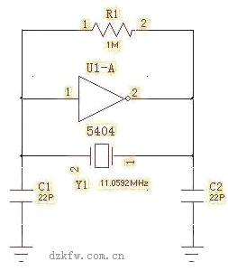
图1:MCU的三点式电容振荡电路
其中,Y1是晶体,相当于三点式里面的电感;C1和C2是电容,而5404和R1则实现了一个NPN型三极管(大家可以对照高频书里的三点式电容振荡电路)。
接下来将为大家分析一下这个电路:首先,5404必需搭一个电阻,不然它将处于饱和截止区,而不是放大区,因为R1相当于三极管的偏置作用,能让5404处于放大区域并充当一个反相器,从而实现NPN三极管的作用,且NPN三极管在共发射极接法时也是一个反相器。
其次将用通俗的方法为大家讲解一下这个三点式振荡电路的工作原理。众所周知,一个正弦振荡电路的振荡条件为:系统放大倍数大于1,这个条件较容易实现;但另一方面,还需使相位满足360°。而问题就在于这个相位:由于5404是一个反相器,因此已实现了180°移相,那么就只需C1、C2和Y1再次实现180°移相就可以了。恰好,当C1、C2和Y1形成谐振时,就能实现180移相;最简单的实现方式就是以地作为参考,谐振的时候,由于C1、C2中通过 的电流相同,而地则在C1、C2之间,所以恰好电压相反,从而实现180移相。
再则,当C1增大时,C2端的振幅增强;当C2降低时,振幅也增强。有时即使不焊接C1、C2也能起振,但这种现象不是由不焊接C1、C2的做法造成的,而是由芯片引脚的分布电容引起,因为C1、C2的电容值本来就不需要很大,这一点很重要。
那么,这两个电容对振荡稳定性到底有什么影响呢?由于5404的电压反馈依靠C2,假设C2过大,反馈电压过低,这时振荡并不稳定;假设C2过小,反馈电压过高,储存能量过少,则容易受外界干扰,还会辐射影响外界。而C1的作用与C2的则恰好相反。在布板的时候,假设为双面板且比较厚,那么分布电容的影响则不是很大;但假设为高密度多层板时,就需要考虑分布电容,尤其是VCO之类的振荡电路,更应该考虑分布电容。
因此,那些用于工控的项目,笔者建议最好不要使用晶体振荡,而是直接接一个有源的晶振。很多时候大家会采用32.768K的时钟晶体来做时钟,而不是通过单片机 的晶体分频来做时钟,其中原因想必很多人也不明白,其实上这是和晶体的稳定度有关:频率越高的晶体,Q值一般难以做高,频率稳定度也比较差;而32.768K晶体在稳定度等各方面的性能表现都不错,还形成了一个工业标准,比较容易做高。另外值得一提的是,32.768K是16 bit数据的一半,预留最高1 bit进位标志,用作定时计数器内部数字计算处理也非常方便。


返回顶部
刷新页面
下到页底