我们知道步进电机由定子(stator)和转子(rotor)构成,定子绕组通电后产生感应磁场,感应磁场与转子相互作用而使转子转过一定的角度。通过控制定子绕组周期性、交替得电,就能控制步进电机一步一步的向前运动。步进电机转子线圈这种周期性的控制需要专门的控制器来实现,这个控制器就是今天我们要介绍的步进驱动器。
本节课将介绍如下内容:
1)什么是步进驱动器?
2)步进驱动器的接线及设置;
3)步进驱动器细分驱动设置;
4)步进电机补充内容;
1、什么是步进驱动器?
步进驱动器是驱动步进电机运行的功率放大器,它能接收控制器(PLC/单片机等)发送来的控制信号并控制步进电机转过相应的角度/步数。最常见的控制信号是脉冲信号,步进驱动器接收到一个有效脉冲就控制步进电机运行一步。具有细分功能的步进驱动器可以改变步进电机的固有步距角,达到更大的控制精度、降低振动及提高输出转矩;除了脉冲信号,具有总线通信功能的步进驱动器还能接收总线信号控制步进电机进行相应的动作。
2、步进驱动器的接线及设置
目前市场上有很多步进驱动器,各厂家的驱动器具有类似的接口,都有信号、电源、电机等接线端子;有输出电流及细分驱动设置的拨码开关。本节以雷赛科技(LeadShine)的DM542步进驱动器为例,介绍下步进驱动器的接线及设置。
DM542是雷赛公司推出的两相步进电机驱动器,采用脉冲方式进行控制,支持8档位电流及16档位细分驱动;输入电压范围:DC 20V~50V,输出峰值电流范围:1.0~4.2A;下面这张图是DM542的外观图:
从图片中可以看出,DM542步进驱动器包括控制信号端子、电源端子、电机接线端子、输出电流设置和细分驱动设置拨码开关等几部分组成。
2.1、控制信号端子
控制信号端子与PLC、单片机或其它控制器相连接,用来接收控制器发出的脉冲、方向及使能控制信号。
2.1.1、脉冲信号(Pulse)
脉冲信号有两个接线端子:PUL+和PUL-。'PUL+'连接脉冲信号正极,“PUL-”连接脉冲信号负极;脉冲信号以'PUL+'与'PUL-'的电压差来衡量;拨码开关SW13可设置脉冲的有效沿,默认(SW13=OFF)上升沿有效;
2.1.2、方向信号(Direction)
方向信号有两个接线端子:DIR+和DIR-。'DIR+'连接方向信号正极,'DIR-'连接方向信号负极;步进电机的初始运行方向与电机绕组的接线有关,任何一组绕组互换(比如:A+和A-互换)都能改变电机的初始运行方向;电机在运行过程中的方向改变可以通过方向信号来控制,为了保证步进电机可靠换向,方向信号应早于脉冲信号至少5us建立;
2.1.3、使能信号(Enable)
使能信号用于使能或禁止驱动器输出,有两个接线端子:ENA+和ENA-。'ENA+'连接使能信号正极,'ENA-'连接使能信号负极;当'ENA+'信号接通时,驱动器将切断步进电机各相电源而使其处于自由状态,该状态不响应脉冲信号;
注:脉冲信号、方向信号和使能信号输入电压值的大小可通过滑动开关来设置,有DC 5V和DC 24V两种选择,出厂默认DC 24V;
2.1.4、报警信号(Alarm)
驱动器故障信号输出,用于连接到PLC/控制器的输入通道。出厂默认正常情况下ALM和COM是导通状态,当驱动器报警时为截止状态;可通过拨码开关SW12设置;
2.1.4、抱闸信号(Brake):步进电机的抱闸信号输入;
2.1.5、COM:报警信号和抱闸信号的公共端;
2.2、电源接口
电源接口包括2个接线端子:+Vdc、GND,其中:
+Vdc:直流电源正极,电压范围:+20V~+50V,推荐+24V~+48V;
GND:直流电源负极;
2.3、电机接线端子
电机接线端子包括:A+、A-、B+、B-,其中:
A+和A-是步进电机的A相绕组的两个接线柱;
B+和B-是步进电机的B相绕组的两个接线柱;
下面这张图是步进电机驱动器的接线图:
2.4、步进电机的电流设置
DM542步进驱动器的中间有8个拨码开关(SW1~SW8),其中SW1~SW3用来设置工作电流(动态电流);SW4用来设置静止电流(静态电流);SW5~SW8是细分设置(将在第3小节详细介绍);
2.4.1、工作电流设置
通过设置步进驱动器的电流输出拨码开关,可以改变驱动器的输出电流大小。DM542的SW1~SW3拨码开关设置如下图所示:
当步进驱动器设置的输出电流越大时,其连接的步进电机的输出力矩就越大。但是电流过大会导致电机和驱动器发热,严重时可能会损坏电机或驱动器。因此在设置步进驱动器的电流时建议遵循如下原则:
-
四线电机:设置输出电流等于或略小于电机的额定电流;
-
六线电机高力矩模式:设置输出电流等于电机单极性接法额定电流的50%;
-
六线电机高速模式:设置输出电流等于电机单极性接法额定电流的100%;
举个例子:假设要用DM542驱动雷赛42CM06步进电机,该电机的额定电流为2.5A,我们就采用输出均值电流2.36A的档位,设置SW1=OFF,SW2=ON,SW3=OFF;
另外要注意:步进电机的运动类型及停留时间的长短,都会影响其发热量。因此在实际使用中应视电机的发热情况适当调节输出电流的大小。原则上如果电机运行15~30分钟后如果表面温度低于40度,可适当增加电流设置值以增大输出扭矩;但如果温升太高(>70度),则应降低电流的设置值;
2.4.2、静止电流设置
拨码开关SW4可用于设置步进电机在静止状态时驱动器的输出电流。默认情况下SW4=OFF,它表示驱动器在没有接收到脉冲0.4秒后,将输出电流改变为峰值电流的50%,这样可以降低驱动器和电机的发热;如果将SW4设置为ON,则电机在静止状态下,驱动器的输出电流为其峰值电流的90%;
3、细分驱动设置
3.1、什么是细分驱动?
步进电机在出厂时都标注了“固有步距角”。比如某电机的固有步距角为0.9度/1.8度,表示电机半步工作每次会转过0.9度,整步1.8度。在很多精密控制的场合,固有步距角不能满足控制精度的要求,人们希望能将一个固有步距角分很多步来走完。这种将固有步距角再分成很多步的驱动方法,称为'细分驱动'。能实现细分驱动的驱动器,称为'细分驱动器'。
3.2、细分驱动的优点
-
细分驱动将固有步距角平均分成几份,减少了每步的步距角的大小,提高了步距均匀度,提高了控制精度;
-
低频振荡是步进电机的固有特性,细分驱动提高了电机的转动频率,可以降低电机的振动;
-
细分驱动可以有效减少转矩波动,提高输出转矩;
3.4、细分驱动的设置
以DM542为例,该驱动器提供了四个拨码开关(SW5~SW8)用来设置细分驱动,如下图所示:
假设我们要把电机设置为3200步/转(即每转一圈需要3200个脉冲信号),则拨码开关设置如下:SW5=ON,SW6=ON,SW7=OFF,SW8=ON
4、步进电机补充内容
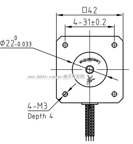
问:平时说的42系列、57系列步进电机具体代表什么意思?
答:这里说的42系列、57系列,是指步进电机的机座号,也就是步进电机机座的尺寸。42系列步进电机表示该电机机座的尺寸为42cmx42cm。例如,下图是雷赛42型步进电机机座截面图:
根据机座号区分,常见的步进电机有42系列、57系列、86系列、110系列等等;


返回顶部
刷新页面
下到页底