一台电动机先启动,另一台电动机延时一段时间后启动,经常要求几台电动机按一定顺序配合工作,才能满足工艺的要求。例如:在大型制冷设备机组中,常常需要先起动水泵电动机,然后才能起动压缩机电动机,可以用时间继电器来完成顺序控制。
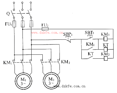
图5-10是用时间继电器控制两台电机工作顺序的电路原理图,一台电动机先启动,另一台电动机延时一段时间后启动,之后保持同时运转。
工作原理:合上电源开关Q,按下启动按钮SBTI。此时时间继电器得电,接触器KMI同时得电吸合并自锁,电动机MI先转。时间继电器KT延长一定时间后,延时闭合的常开触点KT闭合,接触器KM2得电吸合,其主触头闭合,电动机M2开始运转,电动机M1和M2保持同时运转。
图5-10按时间原则控制的电路原理图


返回顶部
刷新页面
下到页底