IGBT用于开关许多产品中的电源,这些产品包括变频驱动器(VFD)、伺服驱动器、电动汽车、巴士和卡车、火车、医疗设备(X光和MRI)、空调甚至一些专业音频系统等。这些产品都属于“大功率”应用,它们很容易被视为电气产品而非电子产品,因此人们会认为它们并不容易受损。然而,有很多不同的失效机制会导致IGBT损坏,除非在设计过程中格外用心,确保器件的正确操作。
与所有器件一样,运行环境(温度、热冲击、热和功率循环以及振动)可造成IGBT失效。ESD(静电放电)也是一个失效因素。由于IGBT和门极驱动器往往由机柜安装人员而非电子专业人员进行安装,所以毫不出奇非常多的失效是由人为操作不当引起。要防止IGBT出现此类失效,主要在于严格遵循安装指南,并确保器件在规定的操作条件下工作。
过流是另一个潜在的失效原因。针对此问题有集成的解决方案可供使用,但也有简单、低成本的解决方案,即在交流输出端使用电流传感器进行测量来实现,而大多数客户更愿意选择低成本的方案。
其他的主要失效机制有短路、di/dt过高、dv/dt过高以及门极-发射极和集电极-发射极过压。行业所需要的就是针对这些失效机制的保护功能,当功率水平达到100 kW且系统成本较为昂贵时尤为需要,因此Power Integrations等IGBT驱动器厂商已在其产品中集成了创新的可靠保护机制,能够解决这些问题,从而为IGBT模块提供强有力的保护。
短路
一种常用的检测短路从而在IGBT损坏之前将其关断的方法是,使用一个集成了退饱和保护功能的光耦IC。遗憾的是,这种方法有两个劣势。第一,具有退饱和保护功能的光耦IC还要求采用高压二极管,而这种二极管不仅成本昂贵,而且损耗也高。第二,也许更重要的是,所需的退饱和监控电子元件通常对EMI或Vce电压尖峰很敏感。这可以导致短路保护误动作,导致IGBT意外关断。
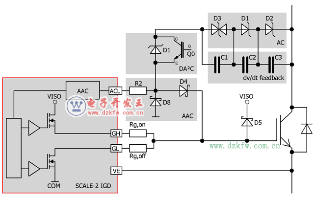
而Power Integrations的IGBT驱动器则采用了不同的方法。他们选用ASIC芯片组以减少元件数量并缩小尺寸,同时提高性能、效率和可扩展性。该芯片组还具备先进的监控和控制功能。为解决短路测量问题,使用SCALE?-2芯片组和电阻串来动态测量IGBT的VCE,请参见图2。这不仅意味着小的电压尖峰不会导致短路保护误触发,而且还拥有其他优势。电阻串方法比标准二极管测量方法的成本低,并且没有耦合电容,因此没有影响效率的多余电容,也不受dv/dt影响。更进一步的优势是,可以使用一个参考管脚轻松调整短路保护的灵敏度,从而适应特定的应用。
高级/动态高级有源钳位
SCALE?-2芯片组还用于实现复杂的有源钳位技术,以应对前面提到的其他IGBT失效模式——di/dt过高、dv/dt过高以及门极-发射极和集电极-发射极过压。
基本有源钳位(图3中的方框AC)在关断时可限制IGBT的VCE。IGBT会在其VCE超过预设的阈值时立即部分导通,然后维持在线性区内工作,因此可降低集电极电流的下降速率,进而限制集电极-发射极过压。在SCALE?-2技术中,高级有源钳位(AAC)反馈(图3中的方框AC和AAC)是由驱动器的副方ASIC实现的。只要电阻R2右侧的电位因有源钳位动作而升高,与GL相连的驱动器的推动级的关断MOSFET就会被逐步关断。这样会减少从IGBT门极流出并流入COM的电荷,该电荷流经关断门极电阻Rg,off。这不仅能减小IGBT关断时集电极-发射极过压,还可降低 TVS损耗,从而提高效率。
SCALE-2驱动器中还实现了dv/dt反馈功能(图3中的 dv/dt feedback)。其作用是,在正常开关工作中实现非常有效的关断过压限制,而不会造成TVS热过载。在集电极-发射极电压升高时,由产生的电流会流入与TVS并联的dv/dt反馈电容。该电流将进一步为高级有源钳位提供支持,因为它流入同一个驱动器端子,但会早于高级有源钳位的TVS动作。通过采用这种额外的驱动方法,VCE电压的钳位变得更有效,TVS损耗更低。如果设置正确,IGBT可以在此操作模式下连续工作。因此,可以在更大的直流母线杂散电感下开关IGBT模块,而不会超出IGBT的反向偏置安全工作区(RBSOA)。并且,不需要使用吸收电容。
Power Integrations已将钳位技术提升到了新的水平:动态高级有源钳位(DA2C)增加了额外的TVS二极管(图3中的方框DA2C),与高级有源钳位中使用的TVS串联。从IGBT导通开始,到IGBT发出关断指令后的大约15-20us内,辅助IGBT Q0都处于打开状态,将这个额外的TVS短接,以降低有源钳位的门槛值,确保获得高效的有源钳位(在IGBT关断过程中额外的TVS不工作)。在经过该15-20us的延迟时间后,辅助IGBT Q0关断,这个加装的TVS被激活,驱动器的有源钳位的门槛值被提高,这样可以允许直流母线电压在IGBT关断期间上升到更高的值。这意味着,紧急停机后变换器系统的输出电感会消磁,但无需担心不可避免的直流母线电压短时升高所造成的影响。
软关断
AAC和DA2C都适合具有高换流杂散电感的应用,这些应用要求控制IGBT关断时的di/dt,确保IGBT能够在反向偏置安全工作区(RBSOA)内工作。但对于有些应用,例如具有低换流杂散电感和IGBT关断过冲处于RBSOA内的应用,更为简单的选项是软关断(SSD),因为它具有不需要TVS二极管执行有源钳位的优势。软关断(SSD)会在检测到短路后激活。它保护半导体免遭损坏的实现方式是,通过限制短路持续时间和电流斜率,从而使瞬时VCE始终低于VCES(半导体的阻断电压能力)。
VCE退饱和在P1时间(绿线)内可见,由于采用轨到轨输出技术,VGE(门极-发射极电压,粉色线)始终非常稳定。经过P1(约5 μs)后,VGE在特定时间(tFSSD)内被限定到较低值。在tFSSD期间,IC(短路电流)被限制,最初会出现较小的VCE过压。在P3期间,半导体的门极进一步放电。在放电过程即将完成时,门极会连接到COM,VGE迅速下降到关断负电压,剩余的门极电荷被移除,短路电流被切断,然后再次出现较小的VCE过压。整个短路检测和安全关断时间不到10 μs。Power Integrations通过新版SCALE-2技术SCALE-2+做到了这一点,该技术可实现AAC/DA2C或SSD功能。
集成
Power Integrations的SCALE?-2芯片组是本文所述的所有IGBT保护机制的核心所在,该芯片组可在驱动和控制IGBT模块以及监控其性能的同时实现这些功能。该芯片组可省去大量的其他解决方案需要用来实现这些功能的无源和有源元件。采用这种芯片组,驱动器不仅能提供更多的功能,而且还能提高可靠性并减小尺寸。


返回顶部
刷新页面
下到页底