PCB抄板,简单点说就是PCB克隆,其原理是根据实物PCB制作成PCB文件,再由PCB文件生产出原来实物相同的PCB。
电路板抄板克隆中不仅能导出PCB文件图,还能提供反推原理图、芯片解密(限合法用途)等相关技术服务。根据文件图与原理图,专业设计人员还能根据客户的意愿对PCB进行优化设计与改板,也能够在此基础上为产品增加新的功能或者进行功能特征的重新设计,这样具备新功能的产品将以全新产品的姿态亮相,不仅拥有了自己的知识产权,也在市场中赢得了先机,为客户带来的是双重的效益。
在PCB抄板技术研究中,反推原理图是指依据PCB文件图或者直接根据产品实物反推出PCB电路图,旨在说明线路板原理及工作情况。为您的产品研发设计及最终调试与后期维护维修提供详细准确技术原理参考。
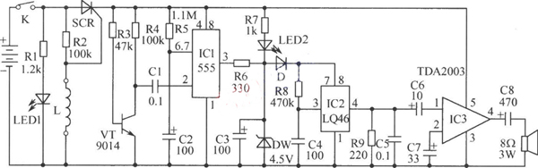
以下是深圳龙芯世纪应用PCB抄板技术反推的显示功能的定时器电路图,以供大家参考、学习。

该定时器的特点是:(1)定时周期宽。开机时间和保持时间从几秒到2h,分别连续可调。(2)开机、保持时间分别用两种颜色,各10个发光二极管分段显示工作,剩余时间一目了然。(3)定时器可单次工作,也可重复工作。(4)定时器不用时可以当普通电源插座用。(5)定时器选用通用易购的门电路、触发器、计数器等,非常适合大中专学校教学实践用。
工作原理:由P2、P3、C1、W1等组成A振荡器,F5,F6、C2、W2等组成B振荡器,IC2为第一计数器,IC3为第二计数器,IC3的10个输出端分别并接两组各10个负极连在一起的发光二极管,它们的负极分别通过限流电阻R9、R10接在由VT2、VT3组成的双稳触发器的两个输出端点。
工作过程:IC2、IC3的清0端分别接有R5、C3,R6、C5组成清0电路使两个计数器置0,双稳态中VT3基极接有电容C10。所以通电瞬间VT3基极呈低电位,使VT3截止、集电极呈高电位使VT2导通,因VD8截止使VT4导通,继电器吸合,整机处于通电状态。与此同时,钳位二极管VD3截止使A振荡器开始工作;VD5导通使振荡器B中F6的输入端被钳位在低电平,所以振荡器B停振,振荡器A的脉冲信号,经VD2送到门F1倒相后,经K1送到IC3的EN端负脉冲输入端,每振荡一次计数器计一个数,其输出端按Y0~Y9的顺序分别输出正脉冲,由于VT2集电极为低电位,所以由X1~X10组成的发光管阵列被依次点亮,当计到第十个脉冲时(X10点亮后),IC3的12脚进位端给出一个进位正脉冲,它经门F4倒相变成负脉冲后经C8和C9去触发VT2、VT3组成的双稳态电路使之翻转,即变成VT2截止、VT3导通,VD8导通使VT4截止,继电器关断,整机处于待机状态,与此同时因VD3导通,振荡器A输入端被钳位从而停振。由于VT2截止,其集电极高电位使VD5截止,门F6输入解除钳位,振荡器B开始工作,其输出经VD1、F1送到IC3进行计数,但由于此时VT3导通,VT2截止,所以虽然IC3的Y0~Y9依旧顺序给出正脉冲,但此时X1~X10并不亮,而X11~X20经R10接到VT3集电极(低电位),所以X11~X20依次亮起,到X20亮后,同样IC3的12脚给出进位脉冲经F4倒相后,再次使双稳态翻转,使VT3截止、VT4导通,继电器吸合,电路再次处于通电状态。
从上述可以看出,定时器的工作周期,即是双稳态的翻转周期,而振荡器每输出10个脉冲,双稳态才翻转一次,因此振荡器的RC时间常数不必取得很大。实践证明,当R取6MΩ,C取5μF时触发器的翻转周期即可达十几分钟,为进一步扩大定时范围,该机在IC3前面又加一个计数器IC2。当K1置于X10时,F4送来的负脉冲被送到IC2的EN端,而IC2的12脚进位端给出的进位正脉冲经VT1倒相后,经K1被连在IC3的EN端上,这样F4送来10个脉冲,IC3才计数一次,送来100个脉冲后触发器才翻转一次,使定时周期扩大10倍。
由F2、F3组成的振荡器A只在VT2导通、VT3截止继电器吸合,电路处于开机状态时工作。此时X1~X10灯依次点亮,可以指示电路的开机时间,同时调节电位器W1可以改变通电时间的长短,由F5、F6组成的振荡器B只在VT3导通、VT2截止继电器断电、电路处于待机状态时工作,此时X11~X20灯依次点亮,可以指示电路的待机时间,同时调节电位器W2可以改变待机时间的长短。
以上所述是电路工作在重复状态,本机也可以工作在单次状态,当K2掷于单次状态,通电时,电路与重复工作时一样,开始VT3截止,VT2导通,VT4导通继电器吸合,电路处于通电状态,振荡器A开始工作,X1~X10灯依次点亮,但是到X10显示完后,IC3给出进位脉冲,双稳态触发
器翻转使VT3变成导通时,VD3、VD4都被钳位,而VD4通过K2接到振荡器B的F6输入端上,这样两个振荡器都被钳位,而停振计数器停止计数,由于此时VT4截止,继电器断电,电路处于待机状态,这样就完成了一次定时关机的过程。
该机电路IC3的输出端中分别串有VD12~VD20的9个二极管,以防止各个输出端互相干扰,两个计数器进位端分别通过C4、C6接至电路的清“0”端,以保证在送出进位脉冲后,计数器能可靠地回零,就是当一个振荡器停振,另一个开始工作时,计数器从0开始工作,电路中,VD8、VD9为隔离二极管,可防止VT3截止时,由于VT4导通,使得VT3集电极电位过低导致两排灯都亮,电路中VD1、VD2为两个振荡器的隔离二极管。
电路电源供给采用电容降压、降压电容应取耐压在400V以上的1μFCBB电容,继电器选用JQX-15,它的触点电流可达交流20A,可用来控制空调这样的负载,该机的定时电容C1、C2在选用电解电容时,一定要用二只电解电容反极性串联,以防止工作中漏电。
元器件选择:IC1选用CD4069,IC2、IC3均选用CD4017。VT1~VT3均选用9013三极管。X1~X20均选用Φ5mm红色发光二极管。继电器选用JOX-15。插座选用一个市售公牛牌CN-109六孔组合插座。其他元器件如图所示。
制作与调试:该机在制作时,选用了一个市售公牛牌CN-109六孔组合插座,将其中的4个插座卸掉,只保留两组,然后将线路板固定在卸掉插座的位置,在原插座处安一块73mm×76mm的有机面板,将调节旋钮、开关、显示灯开孔露出,并将面板向外壳粘死,原机指示灯拆掉,其位置正好放继电器,将继电器也用胶固定在外壳内。该机最后连线时继电器到插座的线应选足够粗导线,并连接可靠,以免通入大电流时负载发热起火。


返回顶部
刷新页面
下到页底