TDA7375中文资料:四声道环绕立体声功率放大电路TDA7375,广泛应用于汽车音响电路中,亦应用于多媒体音响设备中。
单排双列15脚封装,输出功率2x40W(MAX/4Ω);2x35W/4ΩEIAJ;2x25W @4Ω,14.4V,1kHz,THD=10%。它具有以下特点:
最少的外接元件
无需外部消振电容">电容
内部固定增益/26db btl
开机无冲击噪声">噪声
dc-ac短路保护
软启动电流流过的路叫做电路">电路
内部过载超温保护
电池极性转换电流流过的路叫做电路">电路
把电能转换成其他形式的能的装置叫做负载">负载传感电流流过的路叫做电路">电路
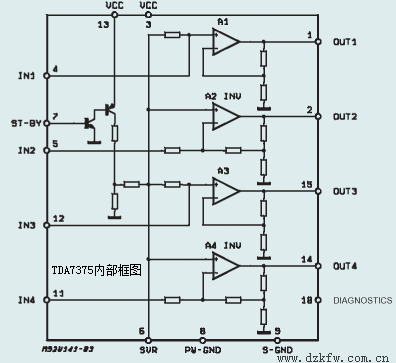
TDA7375内部框图:
TDA7375引脚排列:
TDA7375应用电路:
OCL接法四声道应用电路图
BTL接法双声道应用电路图
混合接法三声道应用电路图


返回顶部
刷新页面
下到页底