电子开发网

电子开发网电子设计 | 电子开发网Rss 2.0 会员中心 会员注册
搜索: 您现在的位置: 电子开发网 >> 电子开发 >> 梯形图 >> 正文

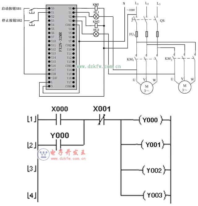
【三菱plc】多重输出控制的PLC线路与梯形图

作者:佚名    文章来源:本站原创    点击数:    更新时间:2018-10-03

【三菱plc】多重输出控制的PLC线路与梯形图 

三菱plc线路与梯形图说明如下:

多重输出控制的PLC线路与梯形图说明 
(1)起动控制

多重输出控制的PLC线路与梯形图流程说明 
(2)停止控制

Tags:plc梯形图,多重输出,梯形图  
责任编辑:admin
  • 上一篇文章:
  • 下一篇文章: 没有了
  • 请文明参与讨论,禁止漫骂攻击,不要恶意评论、违禁词语。 昵称:
    1分 2分 3分 4分 5分

    还可以输入 200 个字
    [ 查看全部 ] 网友评论
    关于我们 - 联系我们 - 广告服务 - 友情链接 - 网站地图 - 版权声明 - 在线帮助 - 文章列表
    返回顶部
    刷新页面
    下到页底
    晶体管查询