电子开发网

电子开发网电子设计 | 电子开发网Rss 2.0 会员中心 会员注册
搜索: 您现在的位置: 电子开发网 >> 电子开发 >> PLC基础及应用 >> 正文

PLC步进指令和步进梯形图

作者:佚名    文章来源:本站原创    点击数:    更新时间:2018-08-09

一、步进指令
  ( 1 ) STL :步进开始指令
  ( 2 ) RET :步进返回指令
 二、步进梯形图
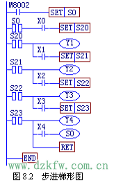
 图 8.1 给出的状态转移图可以转换成如图 8.2 所示步进梯形图
 PLC步进指令和步进梯形图
步进梯形指令具有以下特点:
  ( 1 )转移源自动复位功能
  ( 2 )允许双重输出
  ( 3 )主控功能

Tags:步进指令,步进梯形图,梯形图  
责任编辑:admin
请文明参与讨论,禁止漫骂攻击,不要恶意评论、违禁词语。 昵称:
1分 2分 3分 4分 5分

还可以输入 200 个字
[ 查看全部 ] 网友评论
关于我们 - 联系我们 - 广告服务 - 友情链接 - 网站地图 - 版权声明 - 在线帮助 - 文章列表
返回顶部
刷新页面
下到页底
晶体管查询