自动调节:以压力表值(给定值为0.72Mpa)PID调节变频器调节电机转速(当压力表的数值小于给定值0.72Mpa时电机加速,当压力表的数值大于给定值0.72Mpa时电机减速,调节电机转速直到压力表为定值0.72Mpa。)旋钮切换到自动时plc会监测模拟量信号,当模拟量信号超出4-20mA范围5s后视为模拟量信号丢失(模拟量故障灯和蜂鸣器响为压力信号丢失;只蜂鸣器响为流量表丢失),当压力信号报警时,PLC会自动切换为恒定速度(手动调试记录数值)调节电机转速,如果压力仪表恢复正常值稳定10s后PLC会自动切换为压力表PID调节电机转速。
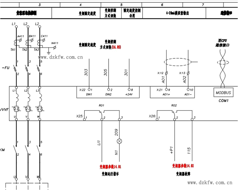
一、接线图和变频器参数


变频器参数:

二、电机铭牌

三、上位监控图


四、机柜图


返回顶部
刷新页面
下到页底