1. 控制要求
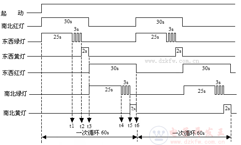
十字路口交通灯的运行如下图所示。当起动开关接通时,信号灯系统开始工作,且先南北红灯亮,东西绿灯亮。当起动开关断开时,所有的信号灯全部熄灭。工作时绿灯亮 25s ,并闪烁 3 次(即 3s ),黄灯亮 2s ,红灯亮 30s 。
各方向三色灯的工作时序图如下图所示。
图 交通灯控制时序图
2 .分析 plc 的输入和输出信号
根据控制要求, PLC 的 I/O 地址分配如下表所示, PLC 的 I/O 接线图如下图所示。
表 交通灯 I/O 分配
|
输 入 |
输 出 | |||||
|
控制开关 |
东西绿灯 |
东西黄灯 |
东西红灯 |
南北红灯 |
南北绿灯 |
南北黄灯 |
|
X0 |
Y1 |
Y2 |
Y3 |
Y4 |
Y5 |
Y6 |
图 交通灯的 I/O 接线图
3 .由时序图分析各输出信号之间的时间关系
交通灯一个循环共需要 60s ,它分为 6 个时间段,这 6 个时间区段对应着 6 个分界点: t1 、 t2 、 t3 、 t4 、 t5 、 t6 。在这 6 个分界点处信号灯的状态将发生变化,在程序设计中这 6 个时间段必须使用 6 个定时器来控制。
为了明确各定时器的作用,以便于理解各个灯的状态转换的准确时间,列出了各定时器的功能,如下表所示。
表 各定时器的功能
|
定时器 |
定时时间 |
功能 |
|
T0 |
25s |
东西绿灯定时 25s ,同时起动东西绿灯开始闪烁 |
|
T1 |
28s |
东西绿灯闪烁定时 3s ,同时起动东西黄灯亮 |
|
T2 |
30s |
南北红灯定时 30s ,同时起动南北绿灯和东西红灯亮 |
|
T3 |
55s |
南北绿灯定时 25s ,同时起动南北绿灯开始闪烁 |
|
T4 |
58s |
南北绿灯闪烁定时 3s ,同时起动南北黄灯亮 |
|
T5 |
60s |
东西红灯定时 30s ,同时起动东西绿灯和南北红灯亮 |
4 .梯形图程序设计
根据红绿灯的控制要求,设计的梯形图如下图所示。
该程序分为三个部分,第一部分是用来产生绿灯闪烁信号的方波电路;第二部分是定时电路,需要 6 个定时器分别对南北方向和东西方向信号灯的状态变化进行定时;第三部分是指示电路,用来对两个方向信号灯的变化进行控制。


返回顶部
刷新页面
下到页底