(1)周期可调的脉冲信号发生器
如图5-6所示采用定时器T0产生一个周期可调节的连续脉冲。当X0常开触点闭合后,第一次扫描到T0常闭触点时,它是闭合的,于是T0线圈得电,经过1s的延时,T0常闭触点断开。T0常闭触点断开后的下一个扫描周期中,当扫描到T0常闭触点时,因它已断开,使T0线圈失电,T0常闭触点又随之恢复闭合。这样,在下一个扫描周期扫描到T0常闭触点时,又使T0线圈得电,重复以上动作,T0的常开触点连续闭合、断开,就产生了脉宽为一个扫描周期、脉冲周期为1s的连续脉冲。改变T0的设定值,就可改变脉冲周期。

图5-6 周期可调的脉冲信号发生器
a)梯形图 b)时序图
(2)占空比可调的脉冲信号发生器
如图5-7所示为采用两个定时器产生连续脉冲信号,脉冲周期为5秒,占空比为3:2(接通时间:断开时间)。接通时间3s,由定时器T1设定,断开时间为2s,由定时器T0设定,用Y0作为连续脉冲输出端。

图5-7 占空比可调的脉冲信号发生器
a)梯形图 b)时序图
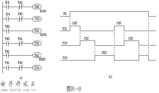
(3)顺序脉冲发生器
如图5-8a所示为用三个定时器产生一组顺序脉冲的梯形图程序,顺序脉冲波形如图5-8b所示。当X4接通,T40开始延时,同时Y31通电,定时l0s时间到,T40常闭触点断开,Y31断电。T40常开触点闭合,T41开始延时,同时Y32通电,当T41定时15s时间到,Y32断电。T41常开触点闭合,T42开始延时.同时Y33通电,T42定时20s时间到,Y33断电。如果X4仍接通,重新开始产生顺序脉冲,直至X4断开。当X4断开时,所有的定时器全部断电,定时器触点复位,输出Y31、Y32及Y33全部断电。

图5-8 顺序脉冲发生器
a)梯形图 b)时序图


返回顶部
刷新页面
下到页底