电子开发网

电子开发网电子设计 | 电子开发网Rss 2.0 会员中心 会员注册
搜索: 您现在的位置: 电子开发网 >> 电子开发 >> 照明电器 >> 正文

声光控制延时开关电路的改进,Time delay switch

作者:佚名    文章来源:本站原创    点击数:    更新时间:2016-12-13

声光控制延时开关电路原电路图 

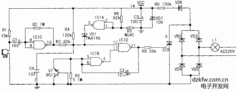
声光控制延时开关电路原电路图如上图所示,经过分析,认为存在控制电路供电电源电路、声音检测电路、延时控制电路等三个方面问题。通过修改后电路图如下图所示。

声光控制延时开关电路的改进电路图 

Tags:声光控,开关电路,声光控电路图  
责任编辑:admin
相关文章列表
双稳态电子开关电路
请文明参与讨论,禁止漫骂攻击,不要恶意评论、违禁词语。 昵称:
1分 2分 3分 4分 5分

还可以输入 200 个字
[ 查看全部 ] 网友评论
关于我们 - 联系我们 - 广告服务 - 友情链接 - 网站地图 - 版权声明 - 在线帮助 - 文章列表
返回顶部
刷新页面
下到页底
晶体管查询