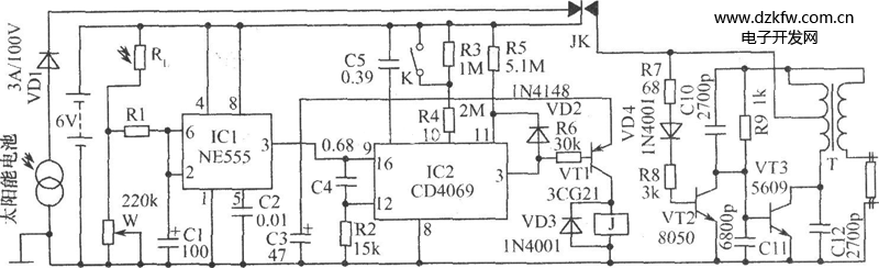
太阳能电池组成的自动控制节能灯电路图
如图所示,详解:太阳能自动控制节能灯电路是由太阳电池充电、光控开关、定时开关和逆变电路4部分组成。要使节能灯点燃必须满足光控和定时两个控制开关都接通这个条件,缺一不可。白天,太阳光照射在太阳能电池板上,太阳能电池板把光能转换为电能通过二极管VD1向蓄电池充电。VD1串接在充电电路中以避免夜间无光照时,蓄电池的电流反向流向太阳能电池板。白天,RL硫化镉光敏电阻的阻值呈低阻状态,IC1的2、6脚输入电压大于(2/3)Vcc,其3脚输出低电平,使IC2和VT1无电压不工作,继电器J不动作,未能接通逆变电路,节能灯不亮;入夜,RL呈高阻值,使IC1输入瑞电压小于(1/3)Vcc,3脚跳变为高电平,IC2及VT1得电进入工作状态。IC2是一片带振荡器的14位二进制串行计数/分频集成电路,C4、R3,R5与IC2内部电路构成的振荡电路产生一正尖脉冲,使IC2自动清零,计数开始,此时IC2的3脚输出低电平使VT1获得偏流并导通,串接在VT1集电极回路的继电器J吸合接通逆变电路,点燃节能灯,经过一段(定时)时间,IC2的3脚眺变为高电平,VT1失去偏流而截止,节能灯熄灭。与此同时,IC2的3脚输出高电平经隔离二极管VD2加至脉冲输入端11脚,使该端恒为高电平而振荡停止,电路状态一直保持到天亮IC2断电为止。电路中R1、C1组成抗光干扰延时电路,以防止夜晚瞬间光照(如雷电闪光、车辆灯光等)干扰被控灯的正常工作。节能灯每晚点燃的时间由公式T≈2.3N(R3 R4)C5计算,N为定时系数。当开关K断开时,定时时间约为6h,适合于冬季夜晚;当K闭合时,定时约4h,适合夏季夜晚。节能灯逆变电路由VT2、VT3等组成。节能灯电路接通时,通过VT2、VT3、逆变变压器T1实现反馈、振荡、升压等过程,使得节能日光灯两端有160V~180V电压而点亮。点亮时消耗蓄电池电流0.4A左右,使用30A时蓄电池可在无太阳时连续工作一个星期。RL选择MG44-04光敏电阻。其他元器件如图所示。


返回顶部
刷新页面
下到页底