电子开发网

电子开发网电子设计 | 电子开发网Rss 2.0 会员中心 会员注册
搜索: 您现在的位置: 电子开发网 >> 电子开发 >> 电源专栏 >> 正文

数字表9V电源替代电路,升压电路

作者:佚名    文章来源:本站原创    点击数:    更新时间:2011-9-11

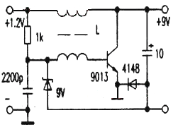
该电路(如图)适用于数字万用表等小电流的供电。用1.2伏的五号充电电池代替9伏层叠电池,改后比较经济实用。

直流升压电路 DC-DC 

笔者改装了一部叮—890型数字万用表和DA—1型电子按摩器,使用两年多来都很正常。电路是运用间歇振荡器的快速关断(截止)的特性而实现升压的。在空载时(稳压管和负载开路),升压可达70多伏。元件I用中8mm的小磁环,初级绕5匝,次级绕奶匝。三极管选用p值大的、饱和压降小的硅管。其他为普通电子元件。如果需要不同的电压,可以改用相应的稳压管。线路元件少,可设计装在原电池盒内

Tags:数字表9V电源替代电路,数字表,替换,升压电路  
责任编辑:admin
  • 上一篇文章:
  • 下一篇文章:
  • 相关文章列表
    没有相关文章
    请文明参与讨论,禁止漫骂攻击,不要恶意评论、违禁词语。 昵称:
    1分 2分 3分 4分 5分

    还可以输入 200 个字
    [ 查看全部 ] 网友评论
    关于我们 - 联系我们 - 广告服务 - 友情链接 - 网站地图 - 版权声明 - 在线帮助 - 文章列表
    返回顶部
    刷新页面
    下到页底
    晶体管查询