反激式变压器是反激开关电源的核心,它决定了反激变换器一系列的重要参数,如占空比D,最大峰值电流,设计反激式变压器,就是要让反激式开关电源工作在一个合理的工作点上。这样可以让其的发热尽量小,对器件的磨损也尽量小。同样的芯片,同样的磁芯,若是变压器设计不合理,则整个开关电源的性能会有很大下降,如损耗会加大,最大输出功率也会有下降,下面我系统的说一下我算变压器的方法。
算变压器,就是要先选定一个工作点,在这个工作点上算,这个是最苛刻的一个点,这个点就是最低的交流输入电压,对应于最大的输出功率。下面我就来算了一个输入85V到265V,输出5V,2A 的电源,开关频率是100KHZ。
第一步就是选定原边感应电压VOR,这个值是由自己来设定的,这个值就决定了电源的占空比。可能朋友们不理解什么是原边感应电压,是 这样的,这要从下面看起,慢慢的来,
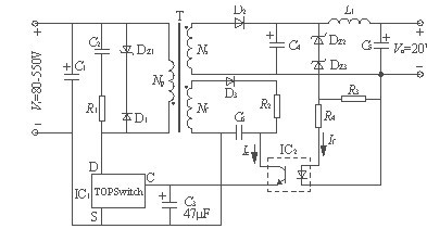
这是一个典型的单端反激式开关电源,大家再熟悉不过了,来分析一下一个工作周期,当开关管开通的时候,原边相当于一个电感,电感两端加上电压,其电流值不会突变,而线性的上升,有公式上升了的I=Vs*ton/L,这三项分别是原边输入电压,开关开通时间,和原边电感量.在开关管关断的时候,原边电感放电,电感电流又会下降,同样要尊守上面的公式定律,此时有下降了的I=VOR*toff/L,这三项分别是原边感应电压,即放电电压,开关管关断时间,和电感量.在经过一个周期后,原边电感电流的值会回到原来,不可能会变,所以,有VS*TON/L=VOR*TOFF/L,,上升了的,等于下降了的,懂吗,好懂吧,上式中可以用D来代替TON,用1-D来代替TOOF,移项可得,D=VOR/(VOR+VS)。此即是最大占空比了。比如说我设计的这个,我选定感应电压为80V,VS为90V ,则D=80/(*80+90)=0.47
第二步,确实原边电流波形的参数.
原边电流波形有三个参数,平均电流,有效值电流,峰值电流.,首先要知道原边电流的波形,原边电流的波形如下图所示,画的不好,但不要笑啊.这是一个梯形波横向表示时间,纵向表示电流大小,这个波形有三个值,一是平均值,二是有效值,三是其峰值,平均值就是把这个波形的面积再除以其时间.如下面那一条横线所示,首先要确定这个值,这个值是这样算的,电流平均值=输出功率/效率*VS,因为输出功率乘以效率就是输入功率,然后输入功率再除以输入电压就是输入电流,这个就是平均值电流。现在下一步就是求那个电流峰值,尖峰值是多少呢,这个我们自己还要设定一个参数,这个参数就是KRP,所谓KRP,就是指最大脉动电流和峰值电流的比值这个比值下图分别是最大脉动电流和峰值电流。是在0和1之间的。这个值很重要。已知了KRP,现在要解方程了,都会解方程吧,这是初一的应用题啊,我来解一下,已知这个波形一个周期的面积等于电流平均值*1,这个波形的面积等于,峰值电流*KRP*D+峰值电流*(1-KRP)*D,所以有电流平均值等于上式,解出来峰值电流=电流平均值/(1-0.5KRP)*D。比如说我这个输出是10W,设定效率是0.8.则输入的平均电流就是10/0.8*90=0.138A,我设定KRP的值是0.6而最大值=0.138/(1-0.5KRP).D=0.138/(1-0.5*0.6)*0.47=0.419A.
三个电流参数,就是这个电流的有效值,电流有效值和平均值是不一样的,有效值的定义还记得吗,就是说把这个电流加在一个电阻上,若是其发热和另处一个直流电流加在这个电阻上发热效果一样的话,那么这个电流的有效值就等于这个直流的电流值.所以这个电流的有效值不等于其平均值,一般比其平均值要大.而且同样的平均值,可以对应很多个有效值,若是把KRP的值选得越大,有效值就会越大,有效值还和占空比D也有关系,总之.它这个电流波形的形状是息息相关的.我就直接给出有效值的电流公式,这个公式要用积分才能推得出来,我就不推了,只要大家区分开来有效值和平均值就可以了.
电流有效值=电流峰值*根号下的D*(KRP的平方/3-KRP+1)如我现在这个,电流有效值=0.419*根号下0.47*(0.36/3-0.6+1)=0.20A.所以对应于相同的功率,也就是有相同的输入电流时,其有效值和这些参数是有关的,适当的调整参数,使有效值最小,发热也就最小,损耗小.这便优化了设计.
第三步,开始设计变压器准备工作.已知了开关频率是100KHZ则开关周期就是10微秒了,占空比是0.47.那么TON就是4.7微秒了.记好这两个数,对下面有用.
第四步,选定变压器磁芯,这个就是凭经验了,如果你不会选,就估一个,计算就行了,若是不行,可以再换一个大一点的或是小一点的,不过有的资料上有如何根据功率去选磁芯的公式或是区线图,大家不妨也可以参考一下.我一般是凭经验来的.
第五步,计算变压器的原边匝数,原边使用的经径.计算原边匝数的时候,要选定一个磁芯的振幅B,即这个磁芯的磁感应强度的变化区间,因为加上方波电压后,这个磁感应强度是变化的,正是因为变化,所以其才有了变压的作用,NP=VS*TON/SJ*B,这几个参数分别是原边匝数,,最小输入电压,导通时间,磁芯的横节面积和磁芯振幅,一般取B的值是0.1到0.2之间,取得越小,变压器的铁损就越小,但相应变压器的体积会大些.这个公式来源于法拉弟电磁感应定律,这个定律是说,在一个铁心中,当磁通变化的时候,其会产生一个感应电压,这个感应电压=磁通的变化量/时间T再乘以匝数比,把磁通变化量换成磁感应强度的变化量乘以其面积就可以推出上式来,简单吧.我的这个NP=90*4.7微秒/32平方毫米*0.15,得到88匝0.15是我选取的了值.算了匝数,再确定线径,一般来说电流越大,线越热,所以需要的导线就越粗,,需要的线径由有效值来确定,而不是平均值.上面已经算得了有效值,所以就来选线,我用0.25的线就可以了,用0.25的线,其面积是0.049平方毫米,电流是0.2安,所以其电流密度是4.08,可以,一般选定电流密度是4到10安第平方毫米.记住这一点,这很重要.若是电流很大,最好采用两股或是两股以上的线并绕,因为高频电流有趋效应,这样可以比较好.
第六步,确定次级绕组的参数,圈数和线径.记得原边感应电压吧,这就是一个放电电压,原边就是以这个电压放电给副边的,看上边的图,因为副边输出电太为5V,加上肖特基管的压降,就有5.6V,原边以80V的电压放电,副边以5.6V的电压放电,那么匝数是多少呢,当然其遵守变压器那个匝数和电压成正比的规律啦.所以副边电压=NS*(UO+UF)/VOR,其中UF为肖特基管压降.如我这个副边匝数等于88*5.6/80,得6.16,整取6匝.再算副边的线径,当然也就要算出副边的有效值电流啦,副边电流的波形会画吗,我画给大家看一下吧画的不太对称,没关系,只要知道这个意思,就可以了.有突起的时间是1-D,没有突起的是D,刚好和原边相反,但其KRP 的值和原边相同的这下知道了这个波形的有效值是怎么算的了吧,哦,再提醒一句,这个峰值电流就是原边峰值电流乘以其匝数比,要比原边峰值电流大数倍哦.
第七步确定反馈绕组的参数,反馈是反激的电压,其电压是取自输出级的,所以反馈电压是稳定的,TOP 的电源电压是5.7到9V,绕上7匝,那么其电压大概是6V多,这就可以了,记得,反馈电压是反激的,其匝数比要和幅边对应,懂什么意思吗,至于线,因为流过其的电流很小,所以就用绕原边的线绕就可以了,无严格的要求.
第八步,确定电感量.记得原边的电流上升公式吗I=VS*TON/L.因为你已经从上面画出了原边电流的波形,这个I就是:峰值电流*KRP,所以L=VS.TON/峰值电流*KRP,知道了吗,从此就确定了原边电感的值.
第九步,验证设计,即验证一下最大磁感应强度是不是超过了磁芯的允许值,有BMAX=L*IP/SJ*NP.这个五个参数分别表示磁通最大值,原边电感量,峰值电流,原边匝数,这个公式是从电感量L的概念公式推过来的,因为L=磁链/流过电感线圈的电流,磁链等于磁通乘以其匝数,而磁通就是磁感应强度乘以其截面积,分别代入到上面,即当原边线圈流过峰值电流时,此时磁芯达到最大磁感应强度,这个磁感应强度就用以上公式计算.BMAX的值一般一要超过0.3T ,若是好的磁芯,可以大一些,若是超过了这个值,就可以增加原边匝数,或是换大的磁芯来调.
总结一下:
设计高频变压器,有几个参数要自己设定,这几个参数就决定了开关电源的工作方式,第一是要设定最大占空比D,这个占空比是由你自己设定的感应电压VOR来确定的,再就是设定原边电流的波形,确定KRP的值,设计变压器时,还要设定其磁芯振幅B,这又是一个设定,所有这些设定,就让这个开关电源工作在你设定的方式之下了.要不断的调整,工作在一个对你来说最好的状态之下,这就是高频变压器的设计任务.总结一
公式D=VOR/(VOR+VS ) (1)
IAVE=P/效率*VS (2)
IP=IAVE/(1-0.5KRP)*D (3)
I有效值=电流峰值*根号下的D*(KRP的平方/3-KRP+1) (4)
NP=VS*TON/SJ*B (5)
NS=NP*(VO+VF)/VOR (6)
L=VS.TON/IP.KRP (7)
BMAX=L*IP/SJ.NP (8)
不过总的来说,高频变压器是一个比较复杂的东西,我短短的篇幅在此也不足以说明,学习高频变压器,我苦搞了两个月。才觉得有了头绪。可能有些地方我说的不太清楚,大家就自己揣摩了,若是不懂,在群上问我好了,我会尽力解答。学的时候注意各个参数之间的联系,因为本来这个东西就是一个整体,多分析,多思考,想来大家就会精通。新摸索到的东西不妨来告诉我啊。





返回顶部
刷新页面
下到页底