自制电动自行车快速充电器
笔者经反复试验,制作了一款简易电动自行车快速充电器.
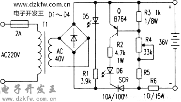
一、快速充电器电路原理图及特点
电路如下图所示,其特点如下。
1.输出电压设定好后(例如36V),若被充电瓶极板脱落断开,造成某组电池不通,或出现短路,则电瓶端电压即降低或为零,这时充电器将无输出电流。
2.若被充电瓶电压偏离设定电压,如设定电压为36V,误接24V、12V、6V电瓶等,充电器也无输出电流,若设定为24V误接为36V电瓶,由于充电器输出电压低于电瓶电压,因而也不能向电瓶充电。
3.充电器两输出端若短路时,由于充电器中可控硅SCR的触发电路不能工作,因而可控硅不导通,输出电流为零。
4.若使用时误将电瓶正负极接反,则可控硅触发电路反向截止,无触发信号,可控硅不导通,输出电流为零。
5.采用脉冲充电,有利于延长电瓶寿命。由于低压交流电经全波整流后是脉动直流,只有当其波峰电压大于电瓶电压时,可控硅才会导通,而当脉动直流电压处于波谷区时,可控硅反偏截止,停止向电瓶充电,因而流过电瓶的是脉动直流电。
6.快速充电,充满自停。由于刚开始充电时电瓶两端电压较低,因而充电电流较大。当电瓶即将充足时(36V电瓶端电压可达44V),由于充电电压越来越接近脉动直流输出电压的波峰值,则充电电流也会越来越小,自动变为涓流充电。当电瓶两端电压被充到整流输出的波峰最大值时,充电过程停止。经试验,三节电动车蓄电池36V(12V/12Ah三节串联),用该充电器只需几个小时即可充满。
7.电路简单、易于制作,几乎不用维护及维修。
电动自行车快速充电器原理图
二、电路原理
AC220V市电经变压器T1降压,经D1-D4全波整流后,供给充电电路工作。当输出端按正确极性接入设定的被充电瓶后,若整流输出脉动电压的每个半波峰值超过电瓶的输出电压,则可控硅SCR经Q的集电极电流触发导通,电流经可控硅给电瓶充电。脉动电压接近电瓶电压时,可控硅关断,停止充电。调节R4,可调节晶体管Q的导通电压,一般可将R4由大到小调整到Q导通能触发可控硅(导通)即可。图中发光管D5用作电源指示,而D6用作充电指示。
三、元件选择
电源变压器可用BK200型控制变压器,输出电压用36V挡,亦可用4090型200V环形变压器,选次级电压为22Vx2或20V×2挡串联使用。笔者使用的4090型环变,其次级电压为24Vx2、12Vx2、0-6-23V三组,若将其24Vx2挡串联(48V),则输出电压太高,充电电流过大(给 36V电动车蓄电池充电时,串上电流表测量平均充电电流约为1.5-1.8A,此为平均值,这时的峰值电流可达5-7A以上),为降低变压器输出电压,将其余的12V×2和O-6V两组线圈顺向串接于初级线圈中,使次级输出电压降低为空载40V,满载(平均充电电流为1.2A时)为36V,可满足使用。由于4090型环形变压器市售价格仅为23元左右.可以降低制作成本。有条件的爱好者也可自行绕制变压器。
另外,电路中整流全桥D1-D4可选用8-10A方形全桥,中间有一圆形安装孔,可安装在铝板上以便散热。可控硅可用1OA/100V金封单向可控硅,将其同整流桥用螺母固定在同一散热铝板上。触发三极管Q的参数为Vceo≥60V,IM=1A,可选用2SB536、B564、B1008、B1015或 2SA684、A720等管子。R6用作限流保护作用,若变压器次级输出电压合适,充电电流(平均值)不超过1.5A,该电阻亦可省去不用。
该充电器若用于其他电压的蓄电池充电(如24V、12V等),则可选取变压器的次级输出电压分别为22V-26V、12V-14V等类型,同时适当减小R2和R5的阻值,也可用波段开关分别控制次级交流电压和阻值转换,使该充电器有更大的使用范围。


返回顶部
刷新页面
下到页底