电子开发网

电子开发网电子设计 | 电子开发网Rss 2.0 会员中心 会员注册
搜索: 您现在的位置: 电子开发网 >> 电子开发 >> 单片机 >> 正文

51单片机8*8点阵LED显示原理及程序

作者:佚名    文章来源:本站原创    点击数:    更新时间:2008-10-31
   在8X8点阵LED上显示柱形,让其先从左到右平滑移动三次,其次从右到左平滑移动三次,再次从上到下平滑移动三次,最后从下到上平滑移动三次,如此循环下去。

1. 程序设计内容
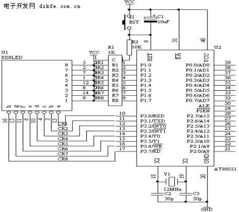
     8X8点阵LED工作原理说明 :8X8点阵共需要64个发光二极管组成,且每个发光二极管是放置在行线和列线的交叉点上,当对应的某一列置1电平,某一行置0电平,则相应的二极管就亮;因此要实现一根柱形的亮法,如图49所示,对应的一列为一根竖柱,或者对应的一行为一根横柱,因此实现柱的亮的方法如下所述:

  • 一根竖柱:对应的列置1,而行则采用扫描的方法来实现。
  • 一根横柱:对应的行置0,而列则采用扫描的方法来实现。

2. 硬件电路
 

3.汇编源程序
ORG 00H
START: NOP
MOV R3,#3
LOP2: MOV R4,#8
MOV R2,#0
LOP1: MOV P1,#0FFH
MOV DPTR,#TABA
MOV A,R2
MOVC A,@A+DPTR
MOV P3,A
INC R2
LCALL DELAY
DJNZ R4,LOP1
DJNZ R3,LOP2

MOV R3,#3
LOP4: MOV R4,#8
MOV R2,#7
LOP3: MOV P1,#0FFH
MOV DPTR,#TABA
MOV A,R2
MOVC A,@A+DPTR
MOV P3,A
DEC R2
LCALL DELAY
DJNZ R4,LOP3
DJNZ R3,LOP4

MOV R3,#3
LOP6: MOV R4,#8
MOV R2,#0
LOP5: MOV P3,#00H
MOV DPTR,#TABB
MOV A,R2
MOVC A,@A+DPTR
MOV P1,A
INC R2
LCALL DELAY
DJNZ R4,LOP5
DJNZ R3,LOP6

MOV R3,#3
LOP8: MOV R4,#8
MOV R2,#7
LOP7: MOV P3,#00H
MOV DPTR,#TABB
MOV A,R2
MOVC A,@A+DPTR
MOV P1,A
DEC R2
LCALL DELAY
DJNZ R4,LOP7
DJNZ R3,LOP8
LJMP START

DELAY: MOV R5,#10
D2: MOV R6,#20
D1: MOV R7,#248
DJNZ R7,$
DJNZ R6,D1
DJNZ R5,D2
RET

TABA: DB 0FEH,0FDH,0FBH,0F7H,0EFH,0DFH,0BFH,07FH
TABB: DB 01H,02H,04H,08H,10H,20H,40H,80H
END


4.C51语言源程序
#include <AT89X52.H>

unsigned char code taba[]={0xfe,0xfd,0xfb,0xf7,0xef,0xdf,0xbf,0x7f};
unsigned char code tabb[]={0x01,0x02,0x04,0x08,0x10,0x20,0x40,0x80};

void delay(void)
{
  unsigned char i,j;
  for(i=10;i>0;i--)
  for(j=248;j>0;j--);
}

void delay1(void)
{
  unsigned char i,j,k;
  for(k=10;k>0;k--)
  for(i=20;i>0;i--)
  for(j=248;j>0;j--);
}

void main(void)
{
  unsigned char i,j;
  while(1)
  {
    for(j=0;j<3;j++)  //from left to right 3 time
    {
      for(i=0;i<8;i++)
      {
        P3=taba[i];
        P1=0xff;
        delay1();
      }
    }
    for(j=0;j<3;j++)  //from right to left 3 time
    {
      for(i=0;i<8;i++)
      {
        P3=taba[7-i];
        P1=0xff;
        delay1();
      }
    }
    for(j=0;j<3;j++)  //from top to bottom 3 time
    {
      for(i=0;i<8;i++)
      {
        P3=0x00;
        P1=tabb[7-i];
        delay1();
      }
    }
    for(j=0;j<3;j++)  //from bottom to top 3 time
    {
      for(i=0;i<8;i++)
      {
        P3=0x00;
        P1=tabb[i];
        delay1();
      }
    }
  }
}

Tags:51单片机,点阵显示,原理,点阵程序  
责任编辑:admin
  • 上一篇文章:
  • 下一篇文章:
  • 相关文章列表
    没有相关文章
    请文明参与讨论,禁止漫骂攻击,不要恶意评论、违禁词语。 昵称:
    1分 2分 3分 4分 5分

    还可以输入 200 个字
    [ 查看全部 ] 网友评论
    关于我们 - 联系我们 - 广告服务 - 友情链接 - 网站地图 - 版权声明 - 在线帮助 - 文章列表
    返回顶部
    刷新页面
    下到页底
    晶体管查询