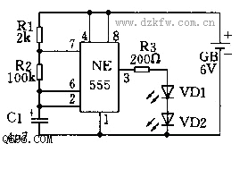
如图电路正常工作时,两只发光二极管将同时一闪一闪地发光。该电路的工作原理和有关报刊杂志介绍的555音频振荡器工作原理相仿,所不同的是将电容C1的容量增大到4.7uF。因此,电路的振荡频率很低,NE555的3脚电位高低变化的速度减慢。当3脚输出高电平时,发光二极管VD1、VD2同时通电发光。当3脚输出低电平时,两只发光二极管都熄灭。电路中的R3电阻值越大,发光亮度越小;R3阻值越小,则发光亮度越大。
值得注意的是,R3阻值不宜太小,否则流过发光二极管的电流过大,电路耗电较大,对发光二极管会产生不利影响,甚至烧毁。通常,流过发光二极管的电流可控制在10~20mA之间为佳。


返回顶部
刷新页面
下到页底