线圈短路测试仪,Coil tester
关键字:线圈短路测试电路图,短路测试仪,电子制作
这里向读者介绍的电机短路测试仪.不仅能用来准确测试电动机、发电机绕组单匝以上的短路故障.还能用来检查鼠笼型转子铸铝条是否有断条故障。并可在重绕电机绕组时,一边下线一边测试.避免操作不当形成短路后未能及时发现而前功尽弃。
一、工作原理简介
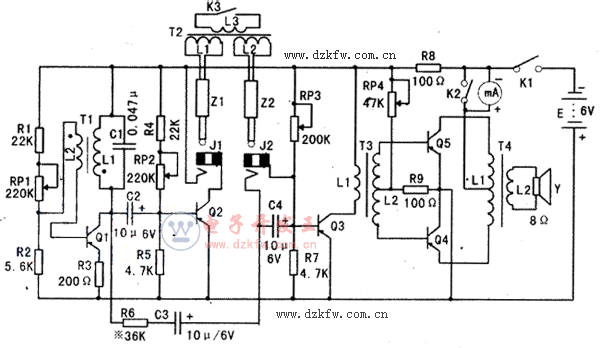
本电机短路测试仪的电路如附图,原理并不复杂。图中晶体管Q1、变压器T1及C1等构成变压器反馈振荡电路。产生约2000HZ音频信号,然后经C2耦合至晶体管Q2进行放大。放大后的音频信号从Q2集电极输出.在插头z1插入插座J1后,音频电流将流过检测变压器T2绕组L1,在检测变压器铁心接触待测电机铁心时,检测变压器的主磁路经待测电机铁心形成通路(由于检测变压器的铁心为马蹄“U”形,在检测变压器的铁心未接触待测电机铁心时,检测变压器的主磁路可视为开路)。若待测电机铁心线槽中所嵌入的线圈绕组(在检测变压器铁心接触待测电机线槽嵌入线圈的铁心时,待测电机铁心与检测变压器铁心将构成一个整体.线槽中所嵌入的线圈可看作是检测变压器的另一个绕组L3)未短路(即相当于K3处于开路状态)。则在绕组L2两端将产生音频信号感应电压,并由插头Z2送至晶体管Q3进行电压放大。放大后的信号电压经变压器T3送至由晶体管Q4、Q5构成的推挽功放电路进行功率放大.放大后的信号电压再由变压器T4耦合至扬声器Y发声或由电流表的指针位置不断变化指示出来(指开关K2未闭合时)。若待测电机铁心线槽中所嵌入的线圈绕组已发生匝间短路(即相当于K3处于闭合状态),则检测变压器的电感量将大幅下降.绕组L2两端将不产生音频信号感应电压或产生的音频信号感应电压很低。于是扬声器将停止发声或音量大幅减小(或在开关K3未闭合情况下电流表指针位置不断变化的幅度明显减小)。在对电机鼠笼型转子铸铝条是否有断条故障进行检测时,同样是将检测变压器铁心接触待测电机转子铁心,这时电机转于铁心同样与检测变压器铁心构成一个整体,转子铁心中所嵌入的鼠笼式铝条也将看成是检测变压器中的绕组L3。若铁心中所嵌入的鼠笼式铝条未断裂,则相当于L3短路(即K3处于闭合状态),显然与此对应的情况是扬声器将停止发声或音量大幅减小。反之,若铁心中所嵌入的鼠笼式铝条已断裂,则相当于L3开路。则扬声器发声音量较大(指与铁心中所嵌入的鼠笼式铝条未断裂时相比)。
二、制作与调试说明
电路中的R6、C3组成正反馈电路。它的作用是将检测变压器中绕组L2中感应到的微弱音频信号电压反馈到Q2基极进行再放大,适当选择R6的数值可以调节测试仪的检测灵敏度。图中RP1为振荡器工作电流调节可变电阻.在电路制作完成后,将检测变压器铁心接触某其它变压器铁心,使主磁路接通。然后调节RP1,使振荡器起振(Q1正常工作电流为0.4~0.6mA)。若元件正常,安装无误,晶体管的工作点设置合适。应能听到扬声器发出的音频叫声。改变c1容量或振荡变压器T1的初级绕组L1匝数可改变振荡频率(即改变扬声器发出声音的声调)。图中RP2为放大管Q2 工作电流调节可变电阻,改变其阻值可调节测试仪的检测灵敏度。在电路制作完成后.调节RP2.使检测变压器铁心接触待测电机线槽嵌入线圈的铁心时(可人为将线圈短路),扬声器恰好停止发声或音量大幅减小。图中RP3为推动管Q3工作电流调节可变电阻,改变其阻值使Q3集电极工作电流为2mA~3mA即可(实际上也有调节测试仪检测灵敏度的作用)。图中RP4为功放级静态工作点电流调节可变电阻.改变其阻值使静态工作电流为2mA~4mA即可(可在K2断开时,在K2两端并联毫安表进行监测)。在测试仪各级工作电流确定正常后,RP1~RP4可换成固定电阻,以防日久可变电阻变质(值)影响测试仪工作。振荡变压器T1可用10K型中周“工”字型磁心作为骨架,L1用φ=0.07mm高强度漆包线绕60匝,L2用φ=0.07mm高强度漆包线绕6匝,并注意两绕组绕向正好相反。检测变压器T2用100VA变压器用“U”形铁心(若是用于检测小型电机,则T2铁心可根据实际情况确定。),铁心截面积2x3cm2.L1用φ=0.21mm高强度漆包线绕100匝,L2用φ=0.21mm高强度漆包线绕200匝。推动变压器T3可用上世纪80年代生产的晶体管收音机用小型输入变压器,初次级匝数比为2:1,若要自制.可用“E”型铁心,铁心横截面积5x5mm。,初级L1用φ=0.1mm高强度漆包线绕100匝,次级L2用φ=0.07mm高强度漆包线绕50匝,在25匝处抽头接R9。输出变压器T4也是用上世纪80年代生产的晶体管收音机用小型输出变压器.初次级匝数比为8:1.若要自制,也用上述输入变压器同样的铁心,初级L1用φ=0.1mm高强度漆包线绕200匝,在100匝处抽头接K3,次级L2用φ=0.1mm高强度漆包线绕25匝,扬声器可用φ=65mn/0.25W/8Ω,永磁式扬声器。晶体管Q1~Q5均用上世纪80年代生产的晶体管收音机用的锗三极管,其中Q1为3AG11.要求β>100,Q2~Q5用3Ax31A/B,要求β>50。若手头没有这类管子,也可用常用的硅管。Q1采用S9015.要求β>100,Q2、Q3采用S9012,要求β>80,Q4、Q5用S8550,要求β>50,其余元件见附图标注。开关K1、K2均采用小型扭子开关,插头、插座均采用小型耳寨机常用φ=2.5mm插头、插座。电流表可用量程100mA/91L16型小方型塑壳电流表。若不需要电流表显示,也可不用。由于测试仪不经常用,为减少测试仪体积。故电源采用4节5#碱性电池。整个测试仪电路元件可安装在85x40mm2的印板上.然后再将电路板装入90x45x30mm3的塑料机盒内。插座J1、J2、开关K1、K2及扬声器Y均安装在上盖板上,扬声器所在位置上盖板应用φ=2.5mm钻头钻若干个均匀分布的小孔.小孔面积应与扬声器纸盆面积相当。检测仪通过插头Z1、Z2、插座J1、J2与主电路板连接。插头z1、Z2引线最好采用带金属屏蔽的双芯软线,长度应大于1.5米。使用时将插头z1、z2插入插座J1、J2插孔,将电源开关置于“开”位置,就可进行检测了。测试完毕后.拔出捕头Z1、Z2.将电源开关置于“关”位置即可。


返回顶部
刷新页面
下到页底