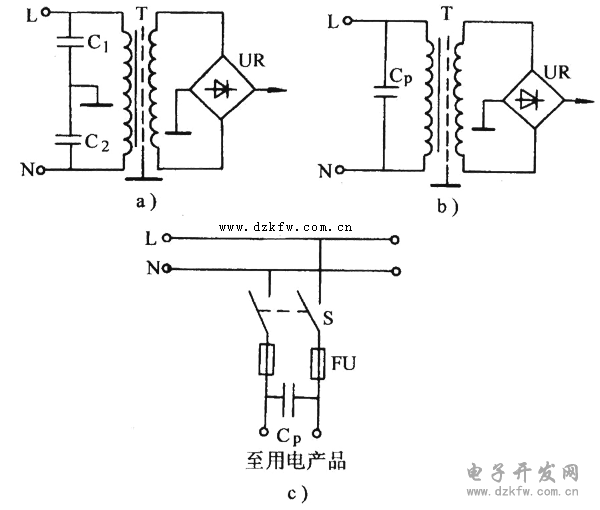
如图A所示,电子产品常用的抗干扰措施,就是在电源变压器的一次 侧对地(机壳)接入两只旁器路电容。C1 与C2选用小容量时,只能对前沿很陡,宽度很窄的脉冲起旁路作用.想要克服能量较大的脉冲干扰,至少需要将它的基波,三次谐波滤掉才行,所以C1 与C2应取大些.但这样机壳带电会带来危险.经实验,将0.47~2μF(耐压500~750)的电容按图B接入电网,不但能消除干扰,而且不会是机壳带电,对保护人身及设备安全十分有利.Cp接入电网对提高电网的功率因数,无疑也起到了积极作用.为了使Cp充分发挥作用,可将其接于电网进户处的刀闸S上端,如图C所示.


返回顶部
刷新页面
下到页底