螺杆式冷水机组的压缩机采用高、低压继电器、电机过热过流保护继电器、内部高温保护继电器、供油温度保护继电器、反相运转保护继电器、低水温保护继电器、空气开关等进行安全保护。
在线路控制上,这些保护电器的触点是串联的,只要上述之一保护电器出现故障,能导致压缩机自动停机。
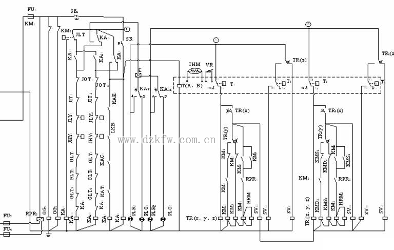
螺杆式冷水机组有两台压缩机电动机MC1及MC2采用Y-△型降压启动方式;并且当第一台压缩机电机启动以后,第二台压缩机才能启动,以减轻启动电流对电网的冲击,启动时间是由电子时间继电器TRl(x、y、z)及TR2(x、y、z)分别控制的。
在压缩机电机没有启动以前,220V交流电源经过FU4接通了两台压缩机的油加热器OG1及OG2。它们是与供油保护恒温继电器配合使用的,一般保持油箱内的油温在110~140℃之间,使压缩机启动前润滑油先加热。
(1)启动前
OG1↑,OG2↑,ZJ21↑,ZJ11↑
(2)启动
(如果冷却水泵、冷冻水泵、冷却塔风机已经启动投入运行,且靶式流量计在流量正常的情况下常开触点是闭合的)
Q2↑→ZJ3↑→PLR1及PLR2↑→T(A、B)↑T1、T2、T3、T4四个常闭触点由于压缩机处于启动状态,冷水温度未降低,他们是闭合的。
延时3分钟,TRl(x)↑→KM3↑→KM1↑→Ml接成Y启动
延时5s?,TR1(y)↑→KM3↑→KM2↑→Ml接成△运行
→TRl(x、y、z)↑→SV11↑,它推动能滑块关闭回气通道,使压缩机电机能够空载启动。
延时30s?,TRl(z)↑→SV11↓,SV12不带电,恢复阀门开度达最大,这时电机已转入Δ接法正常运行状态。
同理,第二台压缩机电机MC2的Y-Δ启动过程与第一台电机基本上是一致的。所不同的只是第二台电机的电源是由ZJ21常开触点6、4引入的,经接点○47到电子温控器常闭触点T2?(C2、L2)及T4(C4、L4)而工作的。其通电时间是设定在第一台压缩机启动转入Δ型运行后才开始启动的,即从TR1(x)延时闭合开始计算,TR2(x)需要4分钟才能闭合进行Y-Δ启动并投入运行。这就保证了第一台压缩机开始启动后1分钟,第二台压缩机才开始启动。
二台压缩机电机投入运行后,如果冷水的水温没有降到设定温度(由电子温控器热敏电阻THM测检),则T1、T2、T3、T4仍处于常闭状态,也就是说两台压缩机继续投入制冷运行。
2.螺杆式冷水机组的冷水温度控制
螺杆机的冷水温度控制是采用主机运行、停机控制方式与能量调节结合进行的。
这种水温控制方式是通过控制冷水的回水温度来实现的。它采用热敏电阻(THM)作为温度传感。其放置在蒸发器冷水回水入口处,由电子温控器去控制回水温度;图中VR是电子温控器的可变电阻,用以调定温控范围;利用Tl、T2、T3、T4触点接通、断开主机或接通、断开能量控制电磁阀,以进行温度控制。其控制过程如下:
从图可以看出当两台压缩机满负荷运行时,电子温控器T1的C1、L1接通,T2的C2,L2接通,T3的C3、L3接通,T4的C4、L4接通,能量控制电磁阀线圈SV12、SV22和启动电磁阀SV12、SV21的线圈都是断电的,能量控制电磁阀开度最大。这时气化后的工质被压缩机全部吸入,冷水回水温度为设计值12.22℃。为保持在这温度下运行,要求压缩机作间歇性运转,使机组的制冷量能够经常与热负荷保持平衡。为减少压缩机的启动次数,可结合采用能量调节控制。如果将两台压缩机满负荷运行时的能量控制率定为100%,则电子冷水温控器按顺序变化T1~T4触点的通断状态,便可获得不同的能量控制率。
如果因空调房间热负荷减小,冷水的温度下降4℃,则T4常闭触点C4、L4断开,常开触点C4、H4闭合,而T1~T3触点不变,这时两台压缩机均处于运行状态,SV11及SV12线圈均断电,第一台压缩机满负荷运行;第二台压缩机由于T4的C4、H4闭合,故能量控制电磁阀线圈SV22带电,使能量控制电磁阀滑块动作,阀门开度减小,令回气通道只能通过回气工质的50%,于是能量控制率即变成75%。
当冷水温度再下降1℃(即共下降5℃),此时T1、T2触点不变,T4仍使SV22带电,而T3常闭触点C3、L3断开,常开触点C3、H3闭合。第一台压缩机能量控制电磁阀SV12从断电状态变为带电状态,阀门开度减小,也只能通过回气工质的50%,第一、二台压缩机在50%能量控制下运行,其综合能量控制率也就为50%。
如果冷水的温度再下降1℃(即共下降6℃),T2常闭触点C2、L2断开,常开触点C2、H2闭合,T1、T3、T4触点状态与下降5℃相同。由图可见,这时第二台压缩机时间继电器线圈TR2(x、y、z)断电,使第二台压缩机主回路接触器全部断开,第二台压缩机停止运行;而第一台压缩机则处于50%能量控制下运行,其综合能量控制率便下降为25%。
冷冻水温度如果再下降1℃(即共下降7℃),Tl触点Cl、L1断开,C1、H1闭合,使第一台压缩机停止工作,T2、T3、T4触点状态与下降6℃相同,则第一、二两台压缩机均停止运行,此时能量控制率为零。
可以看出RCVl00SY2其能量控制可按100%、75%、50%、25%、0共五个挡次调节。
3、保护装置的功能
(1)冷水低温保护断电器
JLT是冷水低温保护断电器。当冷水温度为5.5℃时,JLT的C、T触点闭合;冷水温度下降到2.5℃时,JLT的C、T断开,而常开触点C、R闭合,接通辅助继电器线圈ZJ4。于是ZJ4的常闭触点5,1及6,2断开,辅助继电器线圈ZJ11及ZJ21断电,ZJ21,ZJll常开触点恢复断电状态(触点6、4断开)。这样,控制主回路的三相交流接触器线圈CMCl,2、CMCS1,2、CMCDl,2均处于断电状态,使两台压缩机停止运行,防止冷水结冰。直到冷水温度回升后,压缩机再重新启动运行。
(2)高压开关与低压开关
JHYl,2为高压压力保护继电器,JLYl,2为低压压力继电器。当冷凝器中冷却水中断,螺杆压缩机出口高压超过被设定的压力时,JHYl,2常闭触点断开,使两台压缩机停止运行(JHYl,2阻断压力为22kgf/cm2,接通压力为16kgf/cm2),防止超高压而引起事故。当压缩机吸气压力减小到预置压力以下(预置阻断压力为2.5kgf/cm2,接通压力为5kgf/cm2)时,JLYl,2常闭触点断开,JZ11及JZ21继圈断电,也使两台压缩机停止工作。
(3)三相快速高灵敏度过流继电器
控制回路中GLT1~3为第一台压缩机A、B、C三相(三个)过流继电器触点(常闭),GLT4~6为第二台压缩机三个过流继电器的常闭触点,它们的控制线圈分别串联在A、B、C三相主回路中。RCUl00SY2螺杆机其过流继电器设定电流为72A,当超过此电流值时立即使GLT1~6常闭触点断开,ZJ11及ZJ2l继电器线圈断电,两台压缩机停止运行。
(4)内部高温保护继电器
JITl,2为控制回路中两台压缩机电机内部绕组高温保护继电器的常闭触点,其高温温度是由嵌入螺杆机电机绕组内的传感器传递的。当该电机绕组温度为93℃时JITl及JIT2常闭触点接通;当电机绕组温度为115℃以上时这两个常闭触点断开,使两台压缩机停止运行,以便对压缩机电机加以保护。
(5)油加热器
OGl及OG2分别为两台压缩机的油加热器,它浸渍在螺杆机的油箱中。当压缩机停止后,油温降低到低于110℃时,油的粘度太大会使压缩机难以启动。为此,使用油加热器,当油温低于110℃时接通,油温升高到140℃时油加热器断开。
为保证电机能顺利启动,防止电机损坏,在压缩机启动前,通过接触器的常闭触点CMC1及CMC2接通二个油加热器OGl及OG2,使油达到需要的预热温度;电机启动后CMCl及CMC2断开,停止油加热器通电。油加热器的容量为150W。


返回顶部
刷新页面
下到页底