供电的方式很多,但其他供电方式都存在一定的缺点,只有TN-S供电方式较好。所以本文只介绍TN-S供电方式。
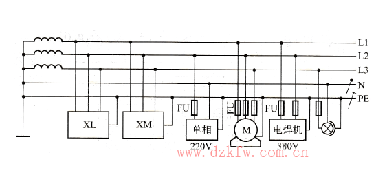
TN-S供电方式主要用于三项负载基本平衡的情况下,如图所示。它把工作零线和专用保护线PE严格分开独立供电方式。TN-S供电的特点如下:
图 TN-S供电方式
(1)工作零线用作照明电路。
(2)正常运行情况下,专用保护线PE上没有电流和电压,仅在零线上有不平衡电流。所以电器设备外壳接零保护接在专用保护线上是安全的。
(3)专用保护线不许断线,更不准进漏电开关。
(4)干线上安装漏电开关时,工作零线上不得有重复接地,而PE线上可以有重复接地,但是,不经过漏电保护器。


返回顶部
刷新页面
下到页底