我们时长会听到这样的言论,日本电池好,国内电池差一些。这里所指重要一点,是电池单体之间的一致性,对于车辆续航,容量是最直接最重要的参数,因此一致性就主要的指向了容量。容量是个不能短时间直接测量得到的参数,根据经验,人们发现,单体电芯容量跟它的开路电压有一一对应的关系。因此,考察已经装车运营的系统中电池一致性的眼光最终落在 电芯电压上。
单体电压是直接测量值,可以实时在线测量,这都使它成为衡量系统电芯一致性水平的有利条件。不单如此,常见BMS管理策略中,把单体电压值作为触发条件的情况还有放电终止条件,充电终止条件等等。处于这样位置的一个参数,单体电压一致性差异过大,则直接限制了电池包充电电量和放电电量。基于此,人们用电池均衡方法解决已经处于运营状态的电池组单体电压差异过大问题,来提高电池组容量。从而也就可以做出,均衡手段延长了续航里程,延长了电池使用寿命之类的推论。文献中的一幅图很形象的说明了主动均衡的原理。从这里可以看出,我们的均衡并非很理想,只是暂时没有更好的办法。
我们通常把能量消耗型均衡叫做被动均衡,而把其他均衡称为主动均衡。而对系统进行人为干预的,虽然经常不被理论讨论,但在实际应用中却不可或缺的,单体充电均衡,就是人工单独给电压过低电芯充电的解决不一致问题的方式。主动均衡的具体实施方案有很多种,从理念上可以再分成削高填低型和并联均衡型两大类。通常被质疑主动均衡影响电池寿命的,特指削高填低这类主动均衡。汇总几种典型主动均衡电路在下面。
削高填低,就是把已经电压高的电芯的能量转移一部分出来,给电压低的电芯,从而推迟最低单体电压触及放电。截止阈值和最高单体电压触及充电终止阈值的时间,获得系统提升充入电量和放出电量的效果。但是在这个过程中,高电压单体和低电压单体都额外的进行了充放。我们都知道,电池的寿命被称为“循环寿命”,仅仅就这颗电芯来说,额外的充放负担会带来寿命的消耗是一个确定的事,但对电池包系统而言,总体上是延长了系统寿命还是降低了系统寿命,目前还没有看到明确的实验数据予以证明。
削高填低的均衡,包括电容式均衡,电感式均衡,变压器式均衡,此三种均衡方式包括充电过程中的均衡以及静置过程的均衡。另外还有一种主动均衡,叫做并联式均衡,它只在充电过程中发挥作用。也有人认为应该在车辆运行中,和放电过程的末尾加入均衡,但一般认为系统电流值的波动比较大,如果依然以单体电压为依据进行均衡,则很可能出现误判,影响均衡效果。当然,随着技术的发展,能够通过其他手段直接对SOC进行准确的推算,则根据SOC进行的均衡,将不会再受到这个问题的困扰。
电容式均衡
设 B1,B3 电池单体分别为组内电压最高、最低单体。图中所有开关管为常开,当均衡器发出均衡指令时,功率开关管 S1、Q2 闭合,此时单体电池 B1 给电容充电,控制功率开关管的占空比控制充电功率和时间,充电结束后,开关管 S3、Q4 闭合,电容给单体电池 B3 充电,此时电池组内不均衡度降低,均衡结束。
电感式均衡
充电过程中,开关管 S 闭合,充电机给电池组充电。此时电池组右侧开关管全部断开,均衡系统不开启。设单体电池B1 电压开始明显高于其他电池并达到均衡阈值时,此时均衡系统开启,S1、Q2开关管闭合,电感与单体电池 B1 并联,起到分流的作用,电感储存来自充电机与电池 B1 的能量;当 S1、Q2 开关管置 0,Q3、S4 开关管置 1 时,电感给充电过程的单体电池 B3 释放一定能量。
静置过程中,开关管 S 断开,当单体电池 B1 电压高于其他电池并达到均衡阈值时,均衡系统开启,S1、Q2 开关管闭合,电感与单体电池 B1 并联,电感吸收 B1 能量;当 S1、Q2 开关管断开,Q3、S4 开关管闭合时,电感给单体电池 B3释放电量。
变压器式均衡
基于反激式均衡变压器进行参数设计,即变压器既作为吸收能量源又作为释放能量源,吸收与释放能量的转换在于能量在磁能与电能之间的转换。
同样,设单体电池 B1 电压最高,将 S1、Q2 置 1,其他开关管置 0,此时变压器作为吸收能量源,能量由 B1 电池给的电能转换为磁能;S1、Q2 置 0,Q1、S2 置 1,能量由初级绕组传递给次级绕组,能量释放给单体电池 B3,能量由磁能重新转换为电能。
并联均衡
理想的均衡方式是所有电池能量及端电压相同,并联电池组内单体电池电压始终相等,因为和连通器原理一样,两边水柱永远水平,并联电池也先天性的单体电压高的自发给单体电压低的电池充电。但串联电池组内想要应用此原理,就需要稍微改变原电池组拓扑结构。
如下图所示的并联拓扑结构,每节单体电池都有一个单刀双掷的开关继电器,所以 n 节串联电池组内需要 n 1 个继电器。
控制原理如下:设电池组内 B4 电压最高,B2 电压最低,控制继电器 S5、S3、Q4、Q2 闭合,此时两节单体电池并联,两单体电池自动均衡,电压趋于一致。该拓扑的缺点是充电过程中不能进行均衡,只能静置去极化时候进行并联均衡。
并联均衡也是有多种实现形式的,除了上面这种,还看到了下图中所示方案:
并联均衡,总体上就是在充电过程中,分流充电电流,给电压低的电芯多充电,而电压高的少充电。于是,不必出现“劫富济贫”的过程,避免了最高和最低电压电芯的额外充放电负担,也就不用怀疑均衡过程对个别电芯寿命的影响拖累系统寿命的问题。
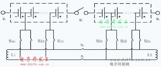
模组之间的均衡
这种形式在实际应用中很少见,但芯片供应商提供的方案蓝本中已经出现了相邻模组可以相互均衡的功能。一种原理图如下。
几种均衡方式的比较
主动均衡的选择
有业内认识根据自己的工程经验总结了一套选择均衡方式的方法:
1)对于10AH以内的电池组,采用能量消耗型可能是比较好的选择,控制简单。
2)对于几十AH的电池组来说,采用一拖多的反激变压器,结合电池采样部分来做电池均衡应该是可行的。
3)对于上百AH的电池组来说,可能采用独立的充电模块会好一些,因为上百AH的电池,均衡电流都在10多A左右,如果串联节数再多一些,均衡功率都很大,引线到电池外,采用外部DC-DC或AC-DC均衡也许更安全。


返回顶部
刷新页面
下到页底