电子开发网

电子开发网电子设计 | 电子开发网Rss 2.0 会员中心 会员注册
搜索: 您现在的位置: 电子开发网 >> 基础入门 >> 变频器 >> 正文

西门子变频器接线图

作者:佚名    文章来源:本站原创    点击数:    更新时间:2018-05-02

主线路分别接入三相电,输出端接电机。
控制线路要看你什么控制方式,一般需要接的有启动信号,速度选择信号等。

西门子变频器接线图 
西门子MM430变频器接线图

西门子MM430变频器接线图 

西门子变频器接线图 

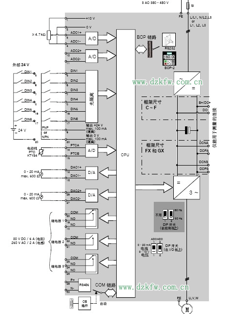
西门子440变频器端子接线图

西门子440变频器端子接线图 

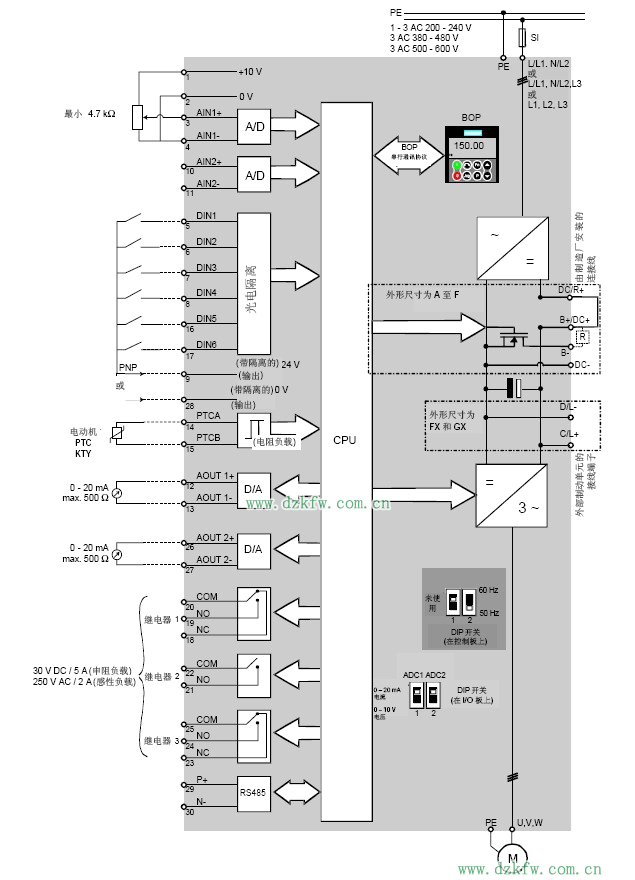
西门子S120变频器端子接线图

西门子S120变频器端子接线图 

Tags:西门子变频器,变频器,接线图  
责任编辑:admin
请文明参与讨论,禁止漫骂攻击,不要恶意评论、违禁词语。 昵称:
1分 2分 3分 4分 5分

还可以输入 200 个字
[ 查看全部 ] 网友评论
关于我们 - 联系我们 - 广告服务 - 友情链接 - 网站地图 - 版权声明 - 在线帮助 - 文章列表
返回顶部
刷新页面
下到页底
晶体管查询