恒流源在线计算器


1、输入参数

希望的电流值:

Iout=  mA

Q1耗散功率:

Ptot= mW

电源电压

E1= V

 
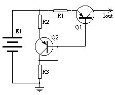
2、电路图 3、输出结果





R1= kOhm
R2= kOhm
R3= kOhm
Ro= kOhm
Px=  mW
警告: