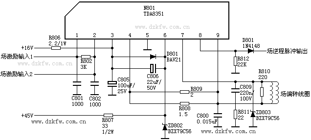
TDA8351引脚功能及应用电路图
该电路摘自金星D2933F
1脚:2.4V——正相输入端
2脚:2.4V——反相输入端
3脚:16V——电源1
4脚:8V——输出端(下)
5脚:0V——地
6脚:45V——电源2
7脚:8V——输出端(上)
8脚:0.2V——场基准电流
9脚:8V——反馈输入
TDA8351各引脚功能电压参数资料
|
脚号 |
符号 |
直流电压 |
红笔接地/KΩ |
黑笔接地/KΩ |
功能说明 |
|
1 |
Id(pds) |
2.2 |
20.8 |
12.5 |
场激励信号同相输入端 |
|
2 |
Id(neg) |
2.2 |
20.5 |
12.5 |
场激励信号反相输入端 |
|
3 |
Vp |
14.5 |
19.0 |
6.8 |
电源 |
|
4 |
Vo(B) |
7.4 |
6.8 |
6.8 |
输出电压B |
|
5 |
GND |
0 |
0 |
0 |
地 |
|
6 |
VFB |
45 |
∞ |
6.7 |
回扫电源 |
|
7 |
Vo(A) |
7.5 |
6.5 |
6.8 |
输出电压A |
|
8 |
Vo(guard) |
0.8 |
19.5 |
14.1 |
保护电压输出 |
|
9 |
VI(fd) |
7.4 |
6.5 |
6.8 |
反馈电压输入 |


返回顶部
刷新页面
下到页底