MCS51单片机是我国应用最为广泛的单片机种。以往单片机应用程序主要用汇编语言编写,由于汇编语言程序的可读性和可移植性都较差,采用汇编语言编写单片机应用程序不但周期长,而且调试和排错也比较困难。为了提高编制单片机应用程序的效率,改善程序的可读性和可移植性,采用高级语言无疑是一种好的选择。C语言是一种通用的计算机程序设计语言,既具有一般高级语言的特点,又能直接对计算机的硬件进行操作,表达和运算能力也较强,许多以往只能采用汇编语言来解决的问题现在都可以改用c语言来解决。
德国Keil Software公司多年来致力于单片机c语言编译器的研究。该公司开发的Keil C51是一种专为8051单片机设计的高效率c语言编译器,符合ANSI标准,生成的程序代码运行速度极高,所需要的存储器空间极小,完全可以和汇编语言相媲美。Keil C51具有丰富的函数库,包含100多种功能函数,为用户编程提供了极大的方便。C51程序可以实现与汇编语言的接口,两者相互之间的调用十分方便。。高版本的Keil C51编译器,尤其是Keil Vision2(基于Windows操作系统的C51集成编译环境),以其性能优秀、使用方便,受到了众多单片机爱好者的欢迎。
在有些测量仪表中,常需要提供不同频率的低频正弦波信号源,它们的频率完全成整数倍关系。如测量电厂工业用水的电导为防止电极传感器的极化,要用低频正弦波信号作为激励源,双频测导法就要求提供精确双倍频率的正弦信号。常用的正弦波信号倍频或分频采用的方法有:
- 方波信号分频后滤波;
- 锁相合成法;
- 单片机控制的D/A转换后再滤波等。
方法① 由于基频的谐波分量大,滤波效果差而很少采用;方法②采用的是压控振荡原理,常用于高频正弦信号的倍频或分频;方法③ 由于高频谐波分量远小于基波分量,滤波效果好且能精确定时,容易实现信号的倍频或分频。本文采用单片机AT89C2051控制D/A转换实现倍频正弦波信号的产生,编程语言采用的就是Keil C51。
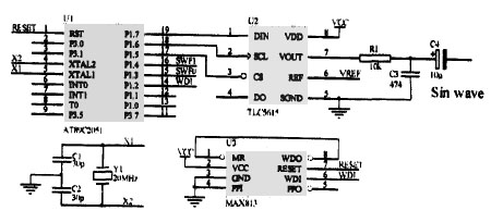
1 硬件电路
图1为倍频正弦波信号发生电路,U2为l0位串行DA集成电路TLC5615(TEXAS仪器公司生产),VREF为2.5v的标准参考电压。U3 MAX813为看门狗复位集成电路,在U1(AT89C2051)出现程序跑飞时可自动复位。U1控制DA输出正弦变化的阶梯电压,经R1、C3滤波,C4隔直后即可得到波形较理想的正弦波,只要在一个周期内保证有足够多的输出点数。
图1 倍频正弦波发生电路
U1根据P1.3和P1.4(标号分别为SWF0和SWF1)的状态控制正弦波的产生与停止及基频与倍频,它们的组合关系为:SWF1=1、SWF0=x时DA无正弦信号输出;SWF1=0、SWF0=0时DA输出基本频率的正弦信号;SWF1=0、SWF0=1时DA输出双倍基频的正弦信号。DA转换器TLC5615遵从SPI标准的三线串行通信协议,三线分别是:/CS片选线,低电平有效;SCLK时钟线;DIN数据线。SPI串行总线上数据传送时序如图2所示,图中在/CS低电平有效时,时钟线SCLK上升沿时数据线DIN上的数据必须稳定,方可保证数据的正确传送,当/CS高电平时器件不接受数据,这样可在SPI串行总线上挂多个支持SPI标准的器件。有关SPI串行总线的具体参数请参阅器件资料。
图2 SPI串行数据总线数据传送时序图
2 Keil C51程序
单片机程序采用Keil C51编程语言编写,经编译后生成HEX文件即可固化在AT89C2051中。一个C,51工程(project)的源程序由C文件和H头文件等组成。本文下面给出的C文件wave.c中有主程序"void main(void)"、DA转换输出函数"void da.out(void)"和定时器中断函数"void timer0(void)interrupt 1 using 2"组成。两次DA转换之间采用定时器0进行定时。在产生基频正弦信号或倍频正弦信号时不改变定时器的定时时间,而是通过传送给DA不同的数字量来实现,即头文件中的产生基频正弦信号的wavel数组和产生倍频信号的waveh数组的长度一样,均为128,但wavel是一个周期内正弦波的数字量,waveh是两个周期内的数字量,前64个数值与后64个数值相同。这样可以避免执行重置定时常数的指令而引起的时间误差,从而得到精确的双倍频关系。另外,wavel数组中的峰-峰值(最大值-最小值)约为waveh数组中峰-峰值的一半,这样使得经RC滤波后两种频率的正弦波幅度近似相等,以满足使用要求。如程序中的定时常数(TH0=0xff,TL0=0x00),在晶振为20MHz时,测得基频为50.6Hz,倍频为101.2Hz。以下是C51源程序wave.c和H头文件wave.h,在Keil C51 V6.12下编译通过生成HEX文件。
C51源程序wave.c
#include<reg51.h>
#include<intrins.h>
#include "wave.h"
void da_out(void); //声明函数
sbit DIN=0x97; //P1.7位定义
sbit SCLK=0x96; //P1.6位定义
sbit DACS=0x95; //P1.5位定义
sbit SWF1 =0x94; //P1.4位定义
sbit SWF0 =0x93; //P1.3位定义
sbit WDI =0x92; //P1.2位定义
sbit FLAG = 0x90;
IUI word; //IUI即idata unsigned int,在wave.h中预定义
void main(void){
IUI i;
TMOD =0x01; //定时器0方式1;
TH0=0xff;TL0=0x00; //置定时器0常数;
TR0=1; //启动定时器0
ET0=1;EA=1; //开定时器中断及总中断
SWF0=1;SWF1=1; //设P1.3,P1.4为输入
WDI=1; //看门狗输入置高电平
while(1){
for(i=0;i<128;i++){
FLAG=1; //置标志,FLAG在定时器0中断程序中被清除
WDI=0;_nop_();WDI= 1;//看门狗复位
if(SWF1) word=512; //SWF1=1时,DA输出同一量,无正弦信号输出
else{
if(SWF0) word=waveh[i];//取倍频数字量
else word=wavel[i]; //取基频数字量
}
word=word<<6; //10位数字量移至高位
while(FLAG); //等待,直至定时器中断程序中清FLA G
da_out(); //调用DA输出子程序
}
}
}
void timer0(void) interrupt 1 using 2{
TH0=0xff;TL0=0x00;//重置定时器常数
FLAG=0;//清主程序中的等待标志
}
void da_out(void){
IUI i;
SCLK =0;_nop_();DACS=0; //准备传送数据
for(i=0;i<10;i++){
DIN= (bit)(word&Ox80); //取最高位送数据线
word = word << 1; //左移,准备下一位传送
SCLK =1;_nop_();SCLK =0; //一个CLK信号
}
DACS= 1;_nop_();SCLK=1; //传送结束
}
H头文件(wave.h):
typedef idata unsigned int IUI;
int code wavel[]={
512,524,537,550,563,698,707,715,723,731,775,775,774,772,770,698,689,679,669,658,
512,499,486,473,460,325,316,308,300,292,248,248,249,251,253,325,334,344,354,365,
};
int code waveh[]={
512,562,611,660,707,753,796,836,874,907,937,963,985,1001,1014,1021,
1023,1021,1014,1001,985,963,937,907,874,836,796,753,707,660,611,562,
512,46l,412,363,316,270,227,187,149,116,86,60,38,22,9,2,
0,2,9,22,38,60,86,116,149,187,227,270,316,363,412,461,
512,562,611,660,707,753,796,836,874,907,937,963,985,1001,1014,1021,
1023,1021,1014,1001,985,963,937,907,874,836,796,753,707,660,611,562,
512,461,412,363,316,270,227,187,149,116,86,60,38,22,9,2,
0,2,9,22,38,60,86,116,149,187,227,270,316,363,412,461
}:
3 小结
笔者有多年的单片机汇编语言编程经历,改用Keil C51后感觉很好,编程效率大为提高。本文是Keil C51在正弦波产生中的应用,由C源程序可见,程序较汇编语言程序可读性大为提高,非常简炼。本文介绍的倍频正弦波信号发生电路已用于某型电导率表中,效果很好。


返回顶部
刷新页面
下到页底