磁敏传感器是将磁场信息转换成各种有用信号的装置。它是各种测磁仪器的核心。为了检测并利用磁砀,人们研制了各种测磁仪器。到目前为止,已形成了十多种常用的测磁方法,研制和生产出了几十个大类上百种测磁仪器。

一般的测磁仪器都是由磁敏元件、转换器、信号处理电路和读出电路组成。仪器的基本性能(例如灵敏度、动态范围、精确度),主要由它的传感器来决定。信号处理电路可以提供放大、转换(例如F/ V、A/D等转换)、补偿、校正等功能。
随着磁性材料的发展,人们利用各种磁性材料来作信息载体,例如计算机信息存储、音像信息的记录各种物体运动信息,包括位置、位移、速度、转速等等,都可以借助磁性体来作载体。因而需要大量的、各种各样的磁的读出、写入和传感装置。从而促使磁敏传感器逐渐地和测磁仪器分离,形成了独立的磁敏传感器产品。磁敏传感器产业发展迅猛,可以说“任何一台计算机、一辆汽车、一家工厂离开磁敏传感器就不能够正常工作”。同时,磁敏传感器已深入到人们的日常生活,许多家用电器都大量地使用着磁敏传感器。
磁敏传感器的应用日益扩大,地位越来越重要,按其结构主要分为体型和结型两大类。前者的代表有霍尔传感器,后者的代表有磁敏二极管、磁敏晶体管等。他们都是利用半导体材料内部的载流子随磁场改变运动方向这一特性而制成的一种磁传感器。另外还有利用电磁感应原理制成的磁电式传感器。

霍尔式传感器
霍尔效应
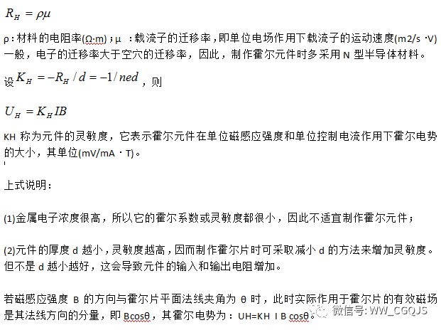
置于磁场中的静止载流导体或半导体,当它的电流方向和磁场方向不一致时,载流导体上垂直于电流和磁场方向上的两个面之间产生电动势,这种现象称霍尔效应。该电动势称霍尔电势,载流导体(多为半导体)称霍尔元件。霍尔效应是导体中的载流子在磁场中受洛仑磁力作用发生横向漂移的结果。

如图在与磁场垂直的半导体薄片上通电流I,假设载流子为电子(N型半导体材料),它沿与电流I相反的方向运动。由于洛仑兹力fL的作用,电子将向一侧偏转(如虚线箭头方向),并使改侧形成电子积累。而另一侧形成正电荷积累,元件的横向形成电场。该电场阻止电子继续向侧面偏移,当电子所受到的电场力fE与洛仑兹力fL相等时,电子积累达到动态平衡。这时,在两端横面之间建立的电场称为霍尔电场EH,相应的电势称为霍尔电势UH。
设霍尔片的长度为L,宽度为b,厚度为d。又设电子以均匀的速度v运动,则在垂直方向施加的磁感应强度B的作用下,它受到洛仑兹力

又因为


当控制电流的方向或磁场方向改变时,输出霍尔电势的方向也改变。但当磁场与电流同时改变方向时,霍尔电势并不改变方向。通常应用时,霍尔片两端加的电压为E,如果将霍尔电势中的电流I改写成E,可使计算方便,根据

由上式可知,适当地选择材料迁移率(μ)及霍尔片的宽长比(b/L),可以改变霍尔电势UH值。
霍尔元件的结构
器件电流(控制电流或输入电流):流入到器件内的电流。
电流端子A、B相应地称为器件电流端、控制电流端或输入电流端。霍尔输出端的端子C、D相应地称为霍尔端或霍尔电极、输出端。若霍尔端子间连接负载,称为霍尔负载电阻或霍尔负载。电流电极间的电阻,称为输入电阻,或者控制内阻。霍尔端子间的电阻,称为输出电阻或霍尔侧内部电阻。

霍尔元件的特性
UH-I特性
当磁场(B)恒定时,在一定温度下,测定控制电流I与霍尔电势UH,可得到良好的线性关系。直线的斜率称为控制电流灵敏度,用KI表示,

由此可得,灵敏度KH大的元件,其控制电流灵敏度KI一般也大。但是灵敏度大的元件,UH不一定大,因为UH还与I有关。
UH-B特性
当控制电流I保持不变时,元件的开路霍尔输出随磁场的增加不完全呈现线性关系,而有非线性偏离。
误差分析及补偿方法
1、元件几何尺寸及电极焊点大小对性能的影响
①几何尺寸对性能的影响
在霍尔效应原理分析时,我们是将霍尔片的长度L看作无穷大来考虑的。实际上,霍尔片的长度是有限的,如果L太小,当小到某个极限值时,霍尔电场会被控制电流极短路,因此在霍尔电势的表达式中增加一项与几何尺寸有关的系数,

实验表明,当L/b>2时,形状系数fH(L/b)接近1。为了提高元件的灵敏度,可适当增大L/b值,实际设计时取L/b=2就足够了。
②电极焊点大小对性能的影响
霍尔电极的大小对霍尔电势的输出也存在一定的影响。按理想元件的要求,控制电流的电极应与霍尔元件是良好的面接触,而霍尔电极与霍尔元件为点接触。实际上,霍尔电极有一定的宽度l,它对元件的灵敏度和线性度有较大的影响。研究表明,当l/L<0.1时,电极宽度的影响可忽略不计。
2、不等位电势U0及其补偿
制作霍尔元件时,不可能保证将霍尔电极焊在同一等位面上,如图,当控制电流I流过元件时,即使磁感应强度等于零,在霍尔电势极上仍有电势存在,该电势称为不等位电势U0。不等位电势是产生零位误差的主要原因。其等效电路如图所示,若两个霍尔电极在同一等位面上,则r1=r2=r3=r4,电桥平衡,U0=0。当霍尔电极不在同一等位面上时(如图2.1.3),因r3增大、r4减小,电桥平衡被破坏,使U0≠0。有各种方法可以减小不等位电势以达到补偿的目的。

半导体磁阻传感器
磁敏电阻是一种电阻随磁场变化而变化的磁敏元件,也称MR元件。它的理论基础为磁阻效应。
磁阻效应
磁敏电阻是一种电阻随磁场变化而变化的磁敏元件,也称MR元件。它的理论基础为磁阻效应。
若给通以电流的金属或半导体材料的薄片加以与电流垂直或平行的外磁场,则其电阻值就增加。称此种现象为磁致电阻变化效应,简称为磁阻效应。
在磁场中,电流的流动路径会因磁场的作用而加长,使得材料的电阻率增加。若某种金属或半导体材料的两种载流子 (电子和空穴)的迁移率十分悬殊,主要由迁移率较大的一种载流子引起电阻率变化,它可表示为:

B——为磁感应强度;
ρ——材料在磁感应强度为B时的电阻率;
ρ0 ——材料在磁感应强度为0时的电阻率;
μ——载流子的迁移率。
当材料中仅存在一种载流子时磁阻效应几乎可以忽略,此时霍耳效应更为强烈。若在电子和空穴都存在的材料(如InSb)中,则磁阻效应很强。磁阻效应还与样品的形状、尺寸密切相关。这种与样品形状、尺寸有关的磁阻效应称为磁阻效应的几何磁阻效应。长方形磁阻器件只有在L(长度) 图 (a)是没有栅格的情况,电流只在电极附近偏转,电阻增加很小。在L>W长方形磁阻材料上面制作许多平行等间距的金属条(即短路栅格),以短路霍耳电势,这种栅格磁阻器件如图2.2.1(b)所示,就相当于许多扁条状磁阻串联。所以栅格磁阻器件既增加了零磁场电阻值、又提高了磁阻器件的灵敏度。常用的磁阻元件有半导体磁阻元件和强磁磁阻元件。其内部有制作成半桥或全桥等多种形式。 磁阻元件 长方形磁敏电阻元件; 物理磁阻效应和几何磁阻效应同时存在。 弱场时的磁阻比 栅格型磁敏电阻→高灵敏电阻 g’为子元件的形状系数,g’增强很多,则msn增大,RBn增大。 科宾诺元件 结构形式 盘形元件; 中心与外圆周边装有电流电极。 原理: 电流在两个电极间流动; 载流子的运动路径因磁场发生弯曲; 电阻增大 磁敏电阻的特性 灵敏度特性 磁阻元件的灵敏度特性是用在一定磁场强度下的电阻变化率来表示,即磁场——电阻特性的斜率。常用K表示,单位为mV/mA.kG即Ω.Kg。在运算时常用RB/R0求得,R0表示无磁场情况下,磁阻元件的电阻值,RB为在施加0.3T磁感应强度时磁阻元件表现出来的电阻值,这种情况下,一般磁阻元件的灵敏度大于2.7。 磁场——电阻特性 磁阻元件的电阻值与磁场的极性无关,它只随磁场强度的增加而增加如图(a)。在0.1T以下的弱磁场中,曲线呈现平方特性,而超过0.1T后呈现线性变化如图 (b)。 强磁磁阻元件电阻——磁场特性曲线 从图中可以看出它与磁阻元件曲线相反,即随着磁场的增加,电阻值减少。并且在磁通密度达数十到数百高斯即饱和。一般电阻变化为百分之几。 电阻——温度特性 从图中可以看出,半导体磁阻元件的温度特性不好。图中的电阻值在35℃的变化范围内减小了1/2。因此,在应用时,一般都要设计温度补偿电路。 强磁磁阻元件的电阻——温度特性曲线: 图中分别给出了采用恒流、恒压供电方式时的温度特性。采用恒流供电时,可以获得–500ppm/℃的良好温度特性,而采用恒压供电时却高达3500ppm/℃。但是由于强磁磁阻元件为开关方式工作,因此常用恒压方式。 结型磁敏传感器 磁敏二极管 结构 结型磁敏传感器是一种PIN型二极管,可称为结型二端器件(也叫索尼二极管SMD)两端为高掺杂的P+和n+区;较长的本征区I称为长基区二极管,I的一面磨成光滑的;另一面用扩散杂质或喷砂法制成高复合区(称为r区),使电子-空穴对易于在粗糙表面复合而消失。施加正偏压时p+-I结向本征区I注入空穴,n+-I结向本征区I注入电子,又称为双注入长二极管。 工作原理 图(a)无磁场,施加正偏压有大量的空穴从p+区通过I进入n+区,大量的电子从n+区通过I进入p+区,形成电流。I区只有少量的电子和空穴被复合掉。 图(b)当受磁场B+(正向)时,电子和空穴受到FL向r区偏转,在r区复合使I区电流减小、电阻增大,I区压降增大、n+-I结和p+-I结上压降减小,使注入载流子再次减小,直至正向电流减小到某一稳定值为止。 图(c)当受磁场B-(反向)时,n+-I和p+-I结上压降增大,使注入载流子增加、电流进一步增大,直至电流达到饱和止。 正向电压下,加正向磁场和反向磁场时,PIN管的正向电流发生了很大的变化,且磁场的大小不同,电流变化也不同。 磁敏二极管的主要特性 1、伏安特性--正向偏压与电流的关系 Ge磁敏二极管的伏安特性曲线,输出电压一定,磁场正向时随磁场增大电流减小;磁场负向时随磁场负方向增加电流增加;同一磁场下电压越大,输出电流变化量也越大。 图(b、c)为硅磁敏二极管的伏安特性。图(c)有负阻特性,即电流急剧增加,偏压突然跌落;因高阻I区热平衡载流子较少,注入I区的载流子在未填满复合中心前不会产生较大的电流,只有填满后电流才开始急增,同时I区压降减小,呈现负阻特性。 2、磁电特性 在给定条件下磁敏二极管的输出电压变化量与外加B的关系。常有单只使用和互补使用两种方式。单只使用时正向磁灵敏度大于反向。互补使用时正、反向磁灵敏度曲线对称,且在弱磁场下有较好的线性。 单个使用时 互补使用时 3、温度特性 在标准测试条件下输出电压变化量ΔU随T变化。 4、四种常用补偿电路 互补式温度补偿电路图(a);差分式温度补偿电路图 (b);全桥温度补偿电路图(c);热敏电阻温度补偿电路图 (d)。 磁敏三极管 结构 发射极e、基极b、集电极c;在射极和长基区间的一个侧面制成一高复合区r。 工作原理 分析磁场强度B变化时,基极电流Ib、集电极电流Ic和电流放大倍数β的变化。 图(a):B=0时,由于基区宽度大于载流子的有效扩散长度,发射区注入的载流子少数输入c、大部分通过e-p-b形成Ib,Ib>Ic,电流放大倍数β<1。 图(b):当受到正向磁场(B+)作用时载流子受FL作用向发射区一侧偏转,使IC明显下降,同时基区复合增大,Ib增加量较小,电流放大倍数β减小。 图(c):反向磁场(B-)作用时,载流子受FL作用向集区一侧偏转,使IC增大,基区复合减小,β增加,IB几乎不变。 磁敏三极管的主要特性 1、伏安特性 2、磁电特性 较弱磁场时,Ic与B是线形关系 3、温度特性 3ACM 3BCM 磁灵敏度的温度系数为0.8%∕℃ 3CCM磁灵敏度的温度系数为-0.6%∕℃ 4、频率特性 磁场交变 3BCM 响应t=2us 截止频率500KHz 3CCM 响应t=4us 截止频率2.5MHz 新型磁传感器 高分辨率磁性旋转编码器 按编码方式的有绝对式和增量式两种。 绝对式:将被测点的绝对位置直接转换为二进制的数字编码输出。中途断电,重新上电后也能读出当前位置的数据。 增量式:测量输出的是当前状态与前一状态的差值。通常以脉冲数字形式输出,然后用计数器计取脉冲数。需要规定脉冲当量(一个脉冲所代表的被测物理量的值)和零位标志(测量的起始点标志)。中途断电无法得知运动部件的绝对位置。 磁阻式磁性编码器具有结构紧凑、高速下仍工作稳定、抗污染能力强、抗振抗爆能力强、耗电少等优点。 磁性旋转编码器包含磁鼓和磁阻传感器头。 磁鼓:在铝合金锭子上敷上一层磁性介质(γ-Fe2O3),并被磁化成具有偶数个长度为λ磁极。 磁阻头:在玻璃基片上镀上一层Ni81Fe19合金薄膜,并列有10个检测增量信号的磁阻元件,4个用于零道信号检测的磁阻元件。 磁鼓旋转时,磁场周期性地变化,磁阻也周期性地变化,且每个磁场周期对应两个磁阻变化周期,具有倍频特性。 涡流传感器 在一个磁棒上绕一组线圈,工作时加上震荡频率为60kHz的电信号,其磁棒具有增强电磁感应的作用。当其磁棒和绕组平行接近被测导体时,震荡线圈产生的交变磁场作用于导体,被测导体表面会产生与激励磁场相交链的涡流,此涡流又产生一交变磁场反作用于线圈,以阻碍激励磁场的变化;同时被测导体表面流动的电涡流产生热量消耗,使激励线圈的电感量L、阻抗Z、品质因数Q发生变化;因此可以利用线圈这些参数的变化,把被测导体的参数变换成电学量来测量。在线圈两端并联一个电容组成谐振电路,没有金属导体时的谐振频率为f0,检测到导体时谐振频率偏离,若被测导体为非磁性材料,则谐振峰右移,若为软磁材料,则谐振峰左移,这样可以用涡流传感器探测隐蔽在地下、墙壁内等金属管道、电缆或导线。由于回路的等效阻抗Z的变化,使输出电压变化,可以用回路输出电压的大小来表示探测仪与被测物体的距离。 另外,以磁性材料为主开发出很多磁性传感器,已经实用化的有铁磁金属薄膜磁敏器件、Fe-Co-V合金丝的威氏器件、热敏铁氧体的热簧开关、利用法拉第原理设计的光纤电流传感器和隔离器、磁性液体的多维度倾斜及震动传感器等等。利用Fe/Cr多层膜的巨磁电阻效应、磁性金属/非磁性绝缘体/磁性金属(FM/I/FM)型隧道结Fe/Al2O3/Fe的隧道巨磁电阻效应(TMR)、类钙态矿结构Mn系氧化物Ln1-xMxMnO3氧化物的特大磁电阻效应(CMR)制备成高精度磁敏电阻,在实现自动化高精密控制方面具有广阔的应用前景。

























返回顶部
刷新页面
下到页底